EasyManua.ls Logo

PowerTech PC170 - Page 4

PowerTech PC170
12 pages
Print Icon
To Next Page IconTo Next Page
To Next Page IconTo Next Page
To Previous Page IconTo Previous Page
To Previous Page IconTo Previous Page
Loading...
14 15 16 17
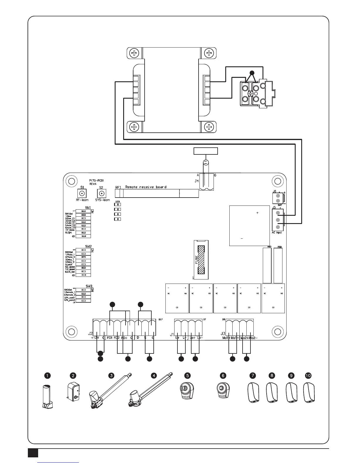
Figure 1(4)
M1 Key Selector Push ButtonLatch
Flashing Light
M2
1 2 3 4 5 6 7 8 9 10 11 12 13 14 15 16 17
Transformer
Antenna
LED1
LED2
LED3
LED4
7
6 1 2 3 4108
9 5
CONTROL BOX
2
TX1 TX2 RX1 RX2