EasyManua.ls Logo

Pratica Chef Express - Page 106

Pratica Chef Express
122 pages
Print Icon
To Next Page IconTo Next Page
To Next Page IconTo Next Page
To Previous Page IconTo Previous Page
To Previous Page IconTo Previous Page
Loading...
100
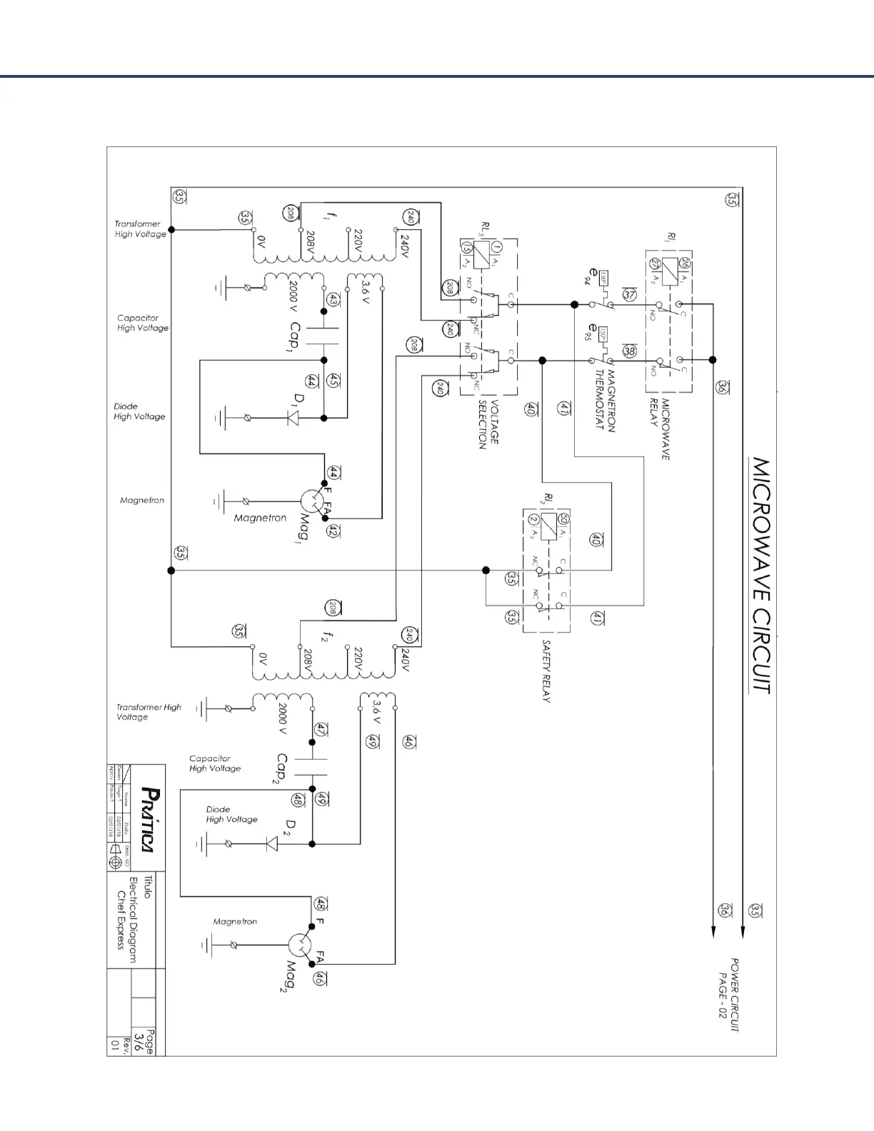
Microwave Circuit Schematic

Other manuals for Pratica Chef Express

Related product manuals