EasyManua.ls Logo

Premier Mounts UNI-SPKR - Technical Specifications

Default Icon
10 pages
Print Icon
To Next Page IconTo Next Page
To Next Page IconTo Next Page
To Previous Page IconTo Previous Page
To Previous Page IconTo Previous Page
Loading...
UNI-SPKR/UNI-SPKRB
Installation Instructions Visit Premier Mounts website at http://www.premiermounts.com Page 9
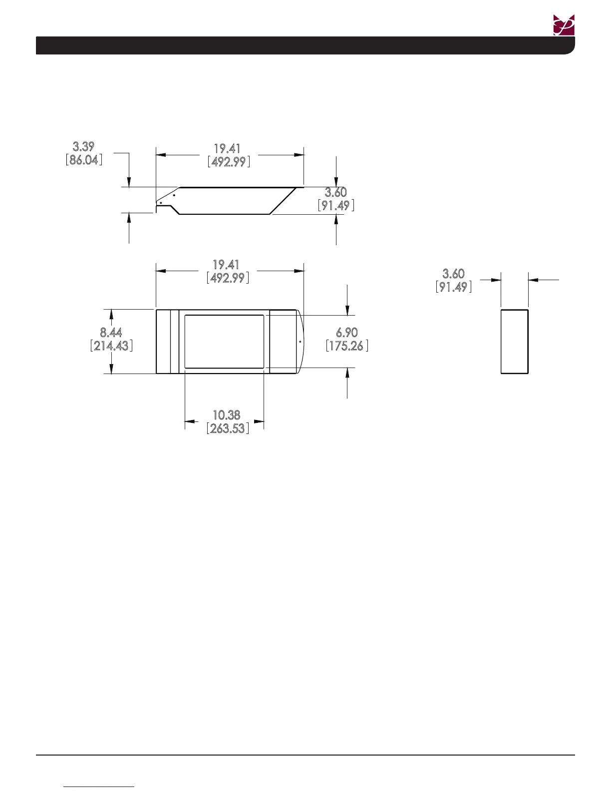
All measurements are in inches [mm].
Technical Specications
8.44
214.43
19.41
492.99
10.38
263.53
6.90
175.26
3.60
91.49
3.60
91.49
19.41
492.99
3.39
86.04