EasyManua.ls Logo

Primus D11 - Control Has no Display

Primus D11
160 pages
Print Icon
To Next Page IconTo Next Page
To Next Page IconTo Next Page
To Previous Page IconTo Previous Page
To Previous Page IconTo Previous Page
Loading...
70284701 105
Section 8 Micro Display Control Troubleshooting - Control has no display
© Copyright, Alliance Laundry Systems LLC – DO NOT COPY or TRANSMIT
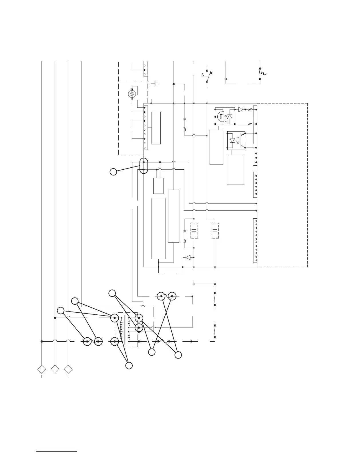
CONTROL HAS NO DISPLAY
TMB1767S
PRIMARY
FUSE
AGC-2A
250V
SECONDARY
FUSE
MDL-3.5A
250V
N
DOOR
SWITCH
WHT
CHASSIS GROUND
LINT
PANEL
SWITCH
CABINET
LIMIT
THERMOSTAT
AIR FLOW
SWITCH
BLK
L1
RED
LT. BLU
SERVICE
CONNECTION
TB1
BLK
RED
RED/WHT
N.O.
COM COM
N.O.
BRN/RED
ORG/BRN
COM
N.O.
N.C.
1
2
1
2
BLK
THERMISTOR
RED/BLU
WHT
RED/WHT
RED/BLK
WHT/VLT
RED/BLK
RED/BLK
RED
WHT/BLU
SECONDARY
FUSE
1.25 T
250V
RED
RED
WHT
3
4
GRN/YEL
WHT
8910
H4
025 & 030 MODELS
L2
24V
3.5A
120V
24V
1.5A
24Vac Ret
H3-1 & H3-2
Iin= 3-30ma
TIME 20msec MIN.
START PULSE INPUT
MACHINE RUNNING
AVAILABLE OUTPUT
SEE VEND
APPLICATION DETAIL
H2-2
H2-1
FS-2
H1-2
512386411109712
COIN DROPS
H5
24Vac
H1-4
123 456
7
H6
24Vac Ret
Imax=5ma
H3-3 & H3-4
Vmax=28Vdc
OPTO OFF WHEN
HEAT RELAY
MOTOR RELAY
H2-5
DOOR SENSING CIRCUIT ALLOWS
VOLTAGE CONFIGURATION INPUT
JUMPER H2-2 TO H2-5 AS FOLLOWS:
240Vac - 13.6K ohm 10 watt
CONTROL TO TURN ON MOTOR
RELAY ONLY WHEN DOOR IS
CLOSED & SWITCH IS PRESSED
24Vac - WIRE JUMPER
120Vac - 6.8K ohm 5 watt
MDC CONTROL
CONTROL
POWER
SUPPLY
24VAC
H1-1
H1-3
H11L1
4
6
5
3
21
H3
100 OHM
1/4 watt
4N25
H2-4
H2-3
FS-1
1
H2-6
Door Sense Ret
CIRCUIT CONTROLS
HEAT RELAY
TEMP. REGULATING
10
H4
897 45623
1
2
3
4
5
6
7

Table of Contents

Related product manuals