EasyManua.ls Logo

Primus D11 - Unit will Not Heat (Steam)

Primus D11
160 pages
Print Icon
To Next Page IconTo Next Page
To Next Page IconTo Next Page
To Previous Page IconTo Previous Page
To Previous Page IconTo Previous Page
Loading...
150 70284701
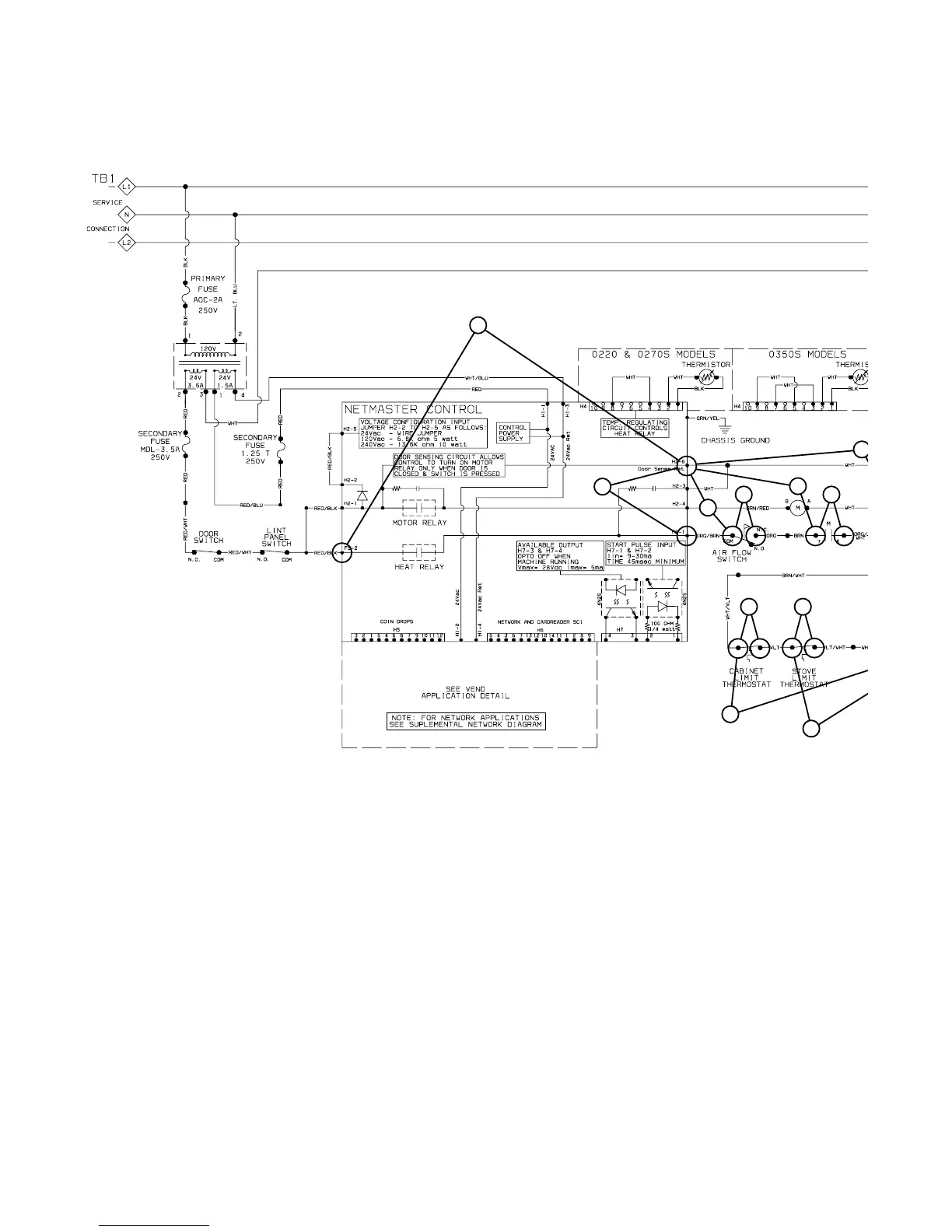
Section 9 NetMaster Troubleshooting - Unit will not heat (Steam)
© Copyright, Alliance Laundry Systems LLC – DO NOT COPY or TRANSMIT
UNIT WILL NOT HEAT (STEAM)
(Sheet 1 of 2)
1
7
4 6
10 12
5
2
3
11
9

Table of Contents

Related product manuals