EasyManua.ls Logo

Primus D11 - Page 112

Primus D11
160 pages
Print Icon
To Next Page IconTo Next Page
To Next Page IconTo Next Page
To Previous Page IconTo Previous Page
To Previous Page IconTo Previous Page
Loading...
110 70284701
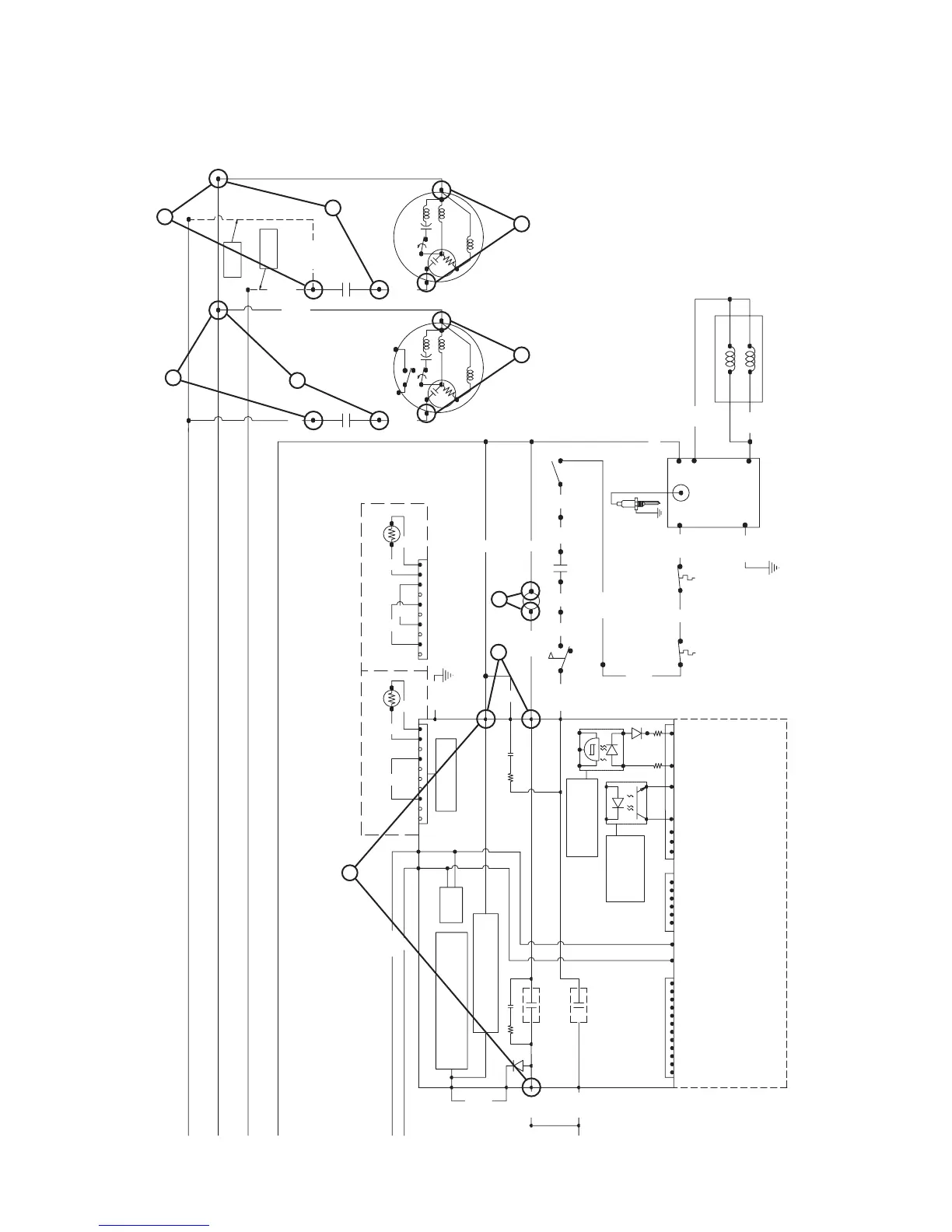
Section 8 Micro Display Control Troubleshooting - Motor will not start/run
© Copyright, Alliance Laundry Systems LLC – DO NOT COPY or TRANSMIT
MOTOR WILL NOT START/RUN
(Sheet 1 of 2)
TMB1839S
M
1
VALV
3
GND
3
GND
4
2
GND
TH
M
1
AUX
THERM
PROT.
4
MAIN 1
MAIN 2
RUN
FAN MOTOR
CENTRIFUGAL
SWITCH
WHT
CHASSIS GROUND
WHT
CABINET
LIMIT
THERMOSTAT
STOVE
LIMIT
THERMOSTAT
AIR FLOW
SWITCH
5
RUN
MAIN 2
MAIN 1
4
FAN
MOTOR
THERM
PROT.
AUX
1
ICM
IGN
CYLINDER
MOTOR
BLU/BLK
BRN/RED
WHT
ORG/BRN
COM
N.O.
ORG BRN
ORG/
WHT
WHT/
BRN
BRN/WHT
VLT
VLT/WHT
3
5
3
GRY/BLK
BLK
M
5
8
6
9
LT. BLU
BLK/RED
BLK/RED
120V
SERVICE
208-240V
SERVICE
TB1-L1
TB1-N
TB1-L2
N.C.
BLK
THERMISTOR
WHT/
BLK
WHT
GAS VALVE
FIRST COIL
SECOND COIL
BA
M
7
4
GRN/YEL
RED/BLK
WHT/VLT
WHT
RED/BLK
RED/BLK
RED
WHT/BLU
WHT
GRN/YEL
WHT
12345678910
WHT
WHT
THERMISTOR
BLK
WHT
H4
025 & 030 MODELS 035 MODELS
24Vac Ret
H3-1 & H3-2
Iin= 3-30ma
TIME 20msec MIN.
START PULSE INPUT
MACHINE RUNNING
AVAILABLE OUTPUT
SEE VEND
APPLICATION DETAIL
H2-2
H2-1
FS-2
H1-2
512386411109712
COIN DROPS
H5
24Vac
H1-4
123456
7
H6
24Vac Ret
Imax=5ma
H3-3 & H3-4
Vmax=28Vdc
OPTO OFF WHEN
HEAT RELAY
MOTOR RELAY
H2-5
DOOR SENSING CIRCUIT ALLOWS
VOLTAGE CONFIGURATION INPUT
JUMPER H2-2 TO H2-5 AS FOLLOWS:
240Vac - 13.6K ohm 10 watt
CONTROL TO TURN ON MOTOR
RELAY ONLY WHEN DOOR IS
CLOSED & SWITCH IS PRESSED
24Vac - WIRE JUMPER
120Vac - 6.8K ohm 5 watt
MDC CONTROL
CONTROL
POWER
SUPPLY
24VAC
H1-1
H1-3
H11L1
4
6
5
3
21
H3
100 OHM
1/4 watt
4N25
H2-4
H2-3
FS-1
1
H2-6
Door Sense Ret
CIRCUIT CONTROLS
HEAT RELAY
TEMP. REGULATING
10
H4
897 45623
1
4
5
2
3
7
8
6 9

Table of Contents

Related product manuals