EasyManua.ls Logo

Prismafood BASIC 4 - Page 22

Prismafood BASIC 4
25 pages
Print Icon
To Next Page IconTo Next Page
To Next Page IconTo Next Page
To Previous Page IconTo Previous Page
To Previous Page IconTo Previous Page
Loading...
22
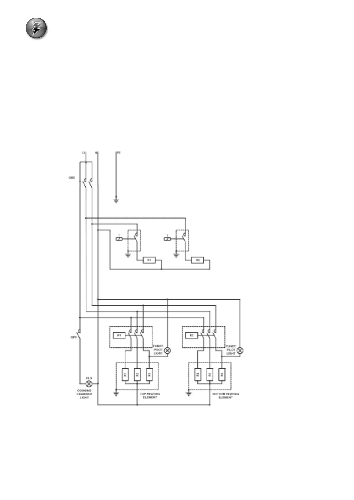
9 ELECTRIC EQUIPMENT
MOD. BASIC 6-66
MOD. BASIC XL 6-66
MOD. BASIC XL 6L-66L
MOD. BASIC XL 9-99
230 V (for one chamber)

Related product manuals