EasyManua.ls Logo

ProArc CB-001 - Front Control Box Parts List

ProArc CB-001
14 pages
Print Icon
To Next Page IconTo Next Page
To Next Page IconTo Next Page
To Previous Page IconTo Previous Page
To Previous Page IconTo Previous Page
Loading...
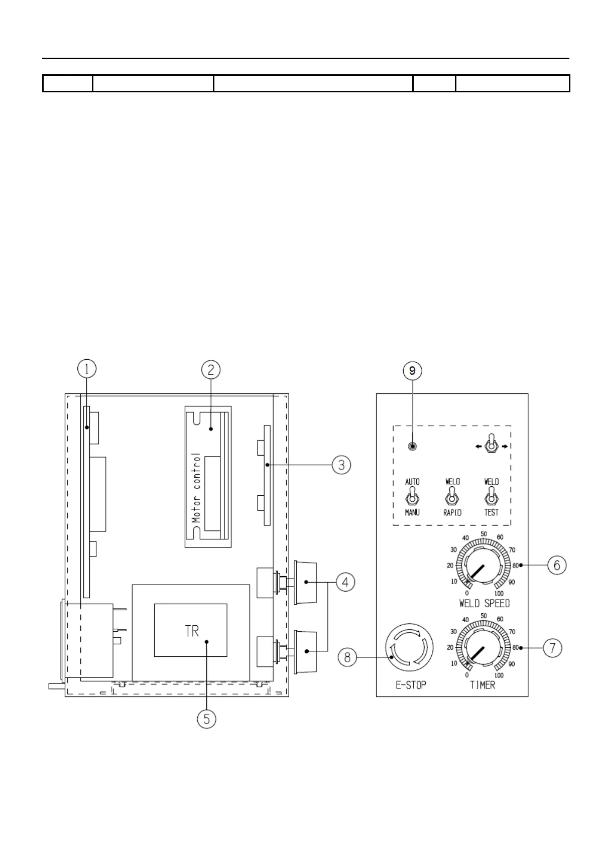
3.1 PART LIST CONTROL BOX (FRONT)
Fig No.
Description
Q’ty
Remark
1
*
6620-1124
Relay board
1
Relay board
2
*
6651-0011
Motor speed control board
1
Motor control
3
*
6621-2240
Front panel board
1
Front panel board
4
3216-0003
Knob (Blue)
2
Knob
5
*
3311-0039
Transformer
1
TR
6
*
3747-1001
Potentiometer
1
VR1
7
*
3747-1002
Potentiometer
1
VR2
8
*
3214-2009
E.S Push button
1
E-Stop
9
*
3271-3002-8
LED Push button
1
PB1
* Recommended spare parts
**Options
5