EasyManua.ls Logo

ProArc CB-001 - Control System Diagram

ProArc CB-001
14 pages
Print Icon
To Next Page IconTo Next Page
To Next Page IconTo Next Page
To Previous Page IconTo Previous Page
To Previous Page IconTo Previous Page
Loading...
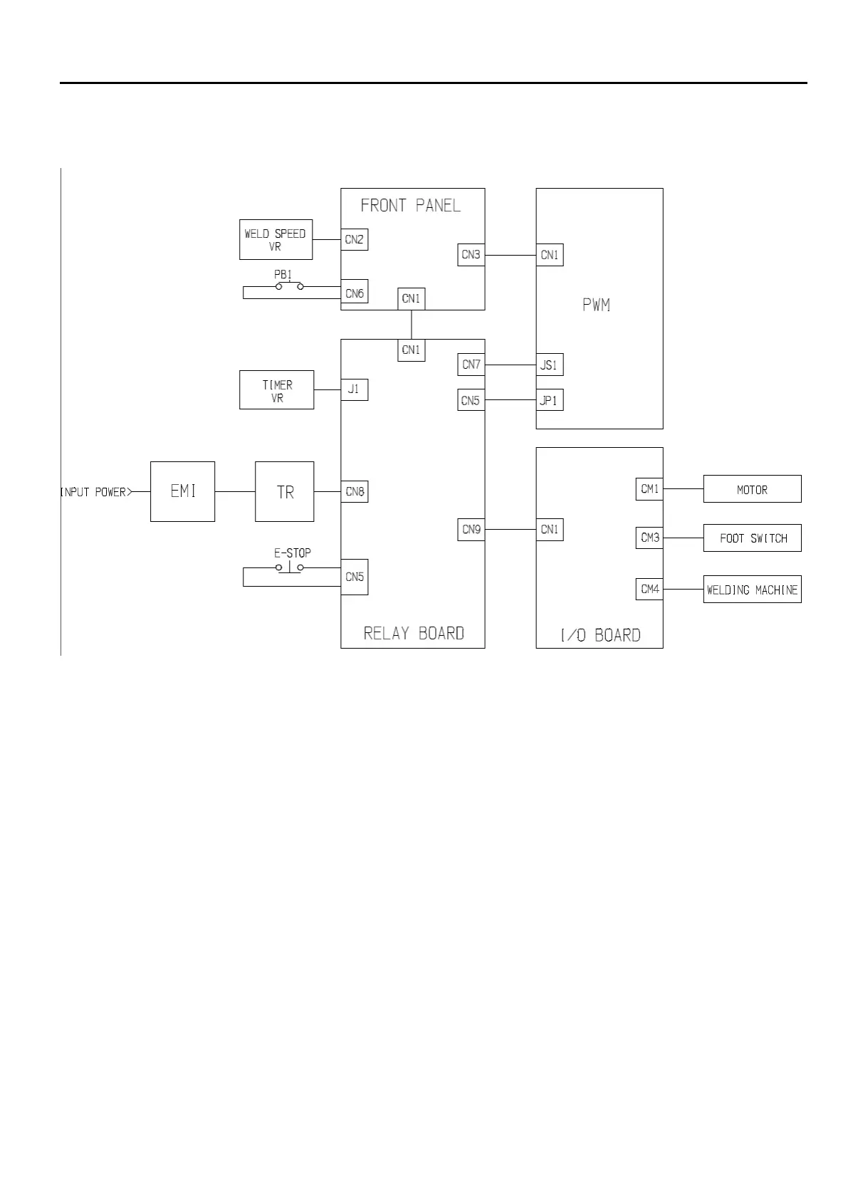
4.1 CONTROL SYSTEM
7