EasyManua.ls Logo

Procom DGC-202 Series - Page 14

Procom DGC-202 Series
40 pages
Print Icon
To Next Page IconTo Next Page
To Next Page IconTo Next Page
To Previous Page IconTo Previous Page
To Previous Page IconTo Previous Page
Loading...
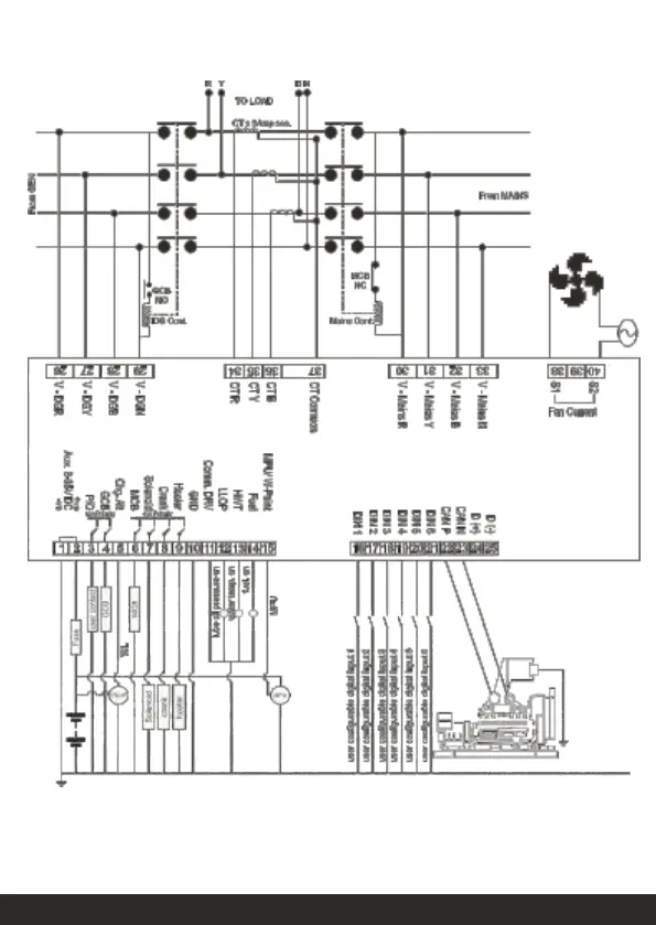
9.2 Typical Wiring Diagram
Note 1: These ground connections must be on the engine block, and must
be to the sender bodies.
Note 2: All the digital inputs(DIN 1-DIN 6) are available in section 5.2.

Related product manuals