EasyManua.ls Logo

Prodigit 3351F - Remote Sense Connections; Fig 5-2 Remote Voltage Sense Connections

Default Icon
133 pages
Print Icon
To Next Page IconTo Next Page
To Next Page IconTo Next Page
To Previous Page IconTo Previous Page
To Previous Page IconTo Previous Page
Loading...
96 PRODIGIT
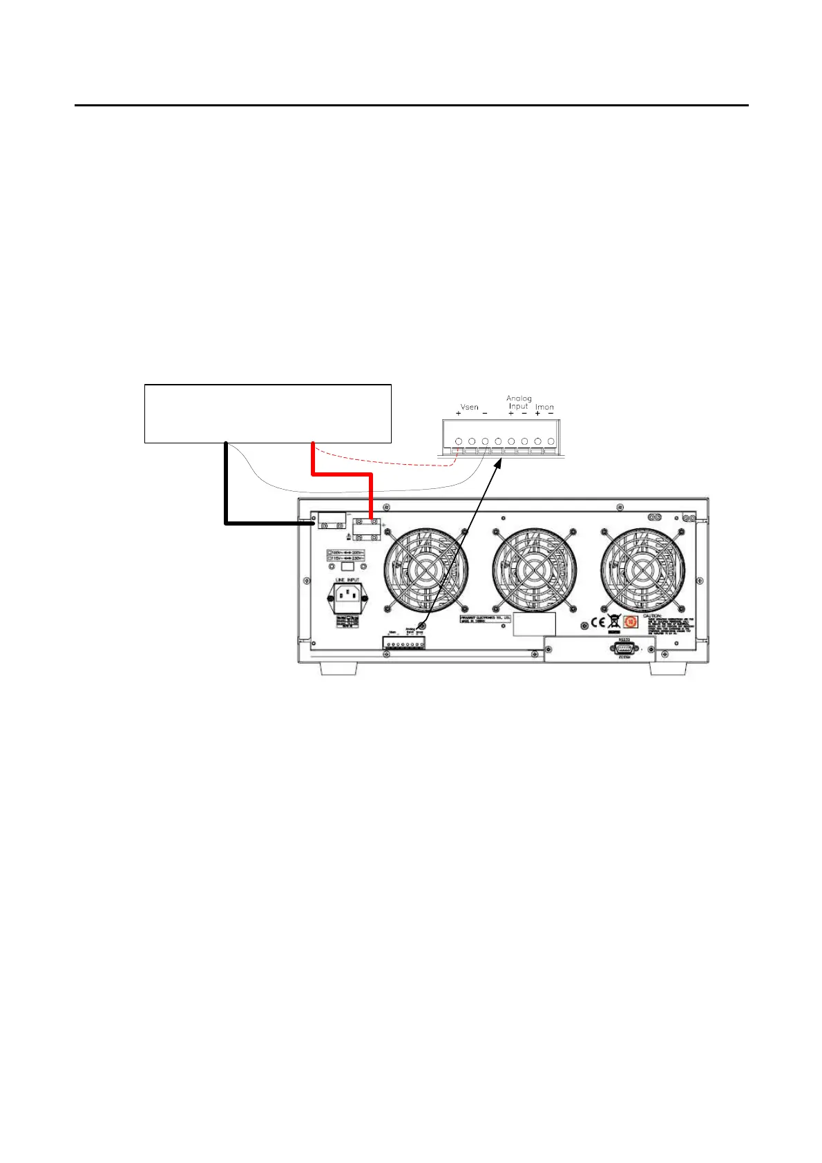
5-2. Remote sense connections
Fig 5-2 illustrates a typical set up with the electronic load connected for remote sense
operation. The remote Vsense cables of the electronic load are connected to the output of
the power supply. Remote sensing compensates for the voltage drop in applications that
require long lead lengths.
The 5 digit voltage Meter of 3350F electronic load measures the voltage of Vsense input
Terminal automatically, so the high accuracy 5 digit voltage Meter can measure the specific
point’s voltage of the power supply's output voltage.
Load leads should be bundled or tie wrapped together to minimize inductance.
Fig 5-2 Remote voltage sense connections
DC Power Supply
- +

Table of Contents

Related product manuals