EasyManua.ls Logo

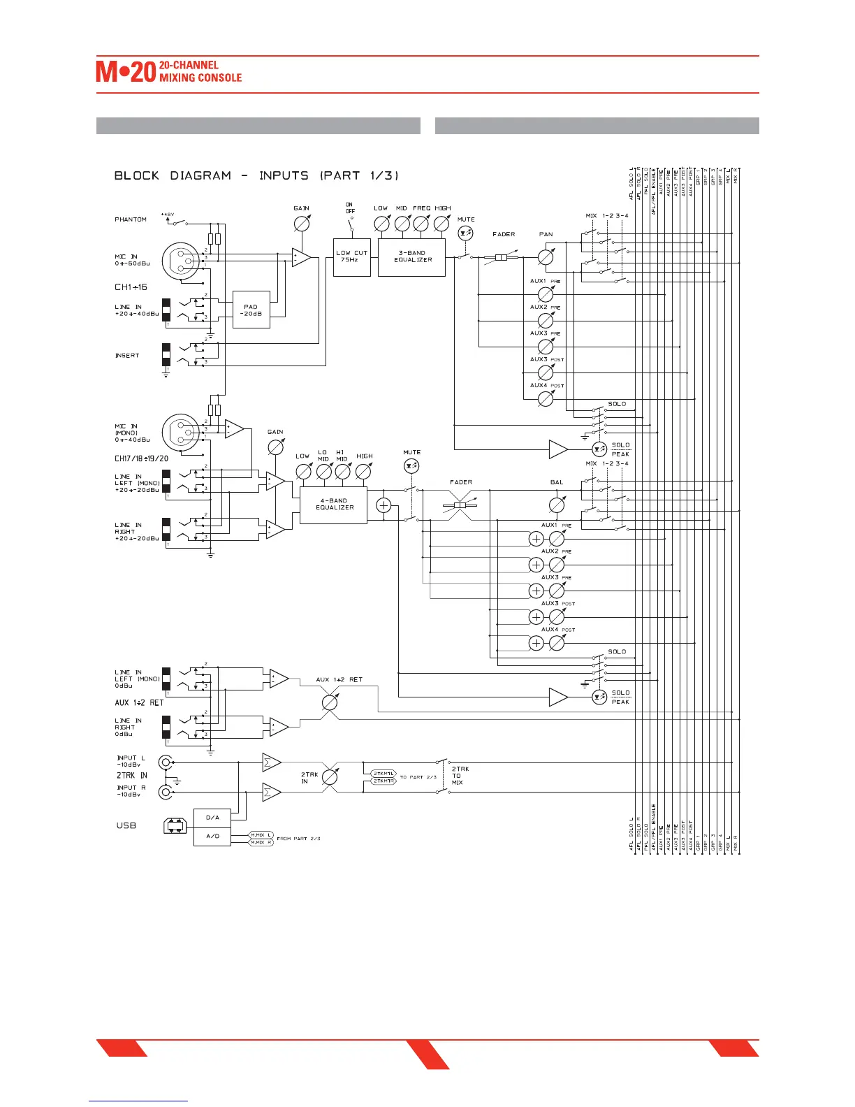
PROEL M-20 - Block Diagram (Inputs Part 1 of 3); Input Signal Flow Diagram

PROEL M-20
40 pages
Print Icon
To Next Page IconTo Next Page
To Next Page IconTo Next Page
To Previous Page IconTo Previous Page
To Previous Page IconTo Previous Page
Loading...
35
ENG ITA
BLOCK DIAGRAM (INPUTS PART 1 OF 3) DIAGRAMMA A BLOCCHI (INGRESSI PARTE 1 DI 3)
BLOCK DIAGRAM
DIAGRAMMA A BLOCCHI

Related product manuals