EasyManua.ls Logo

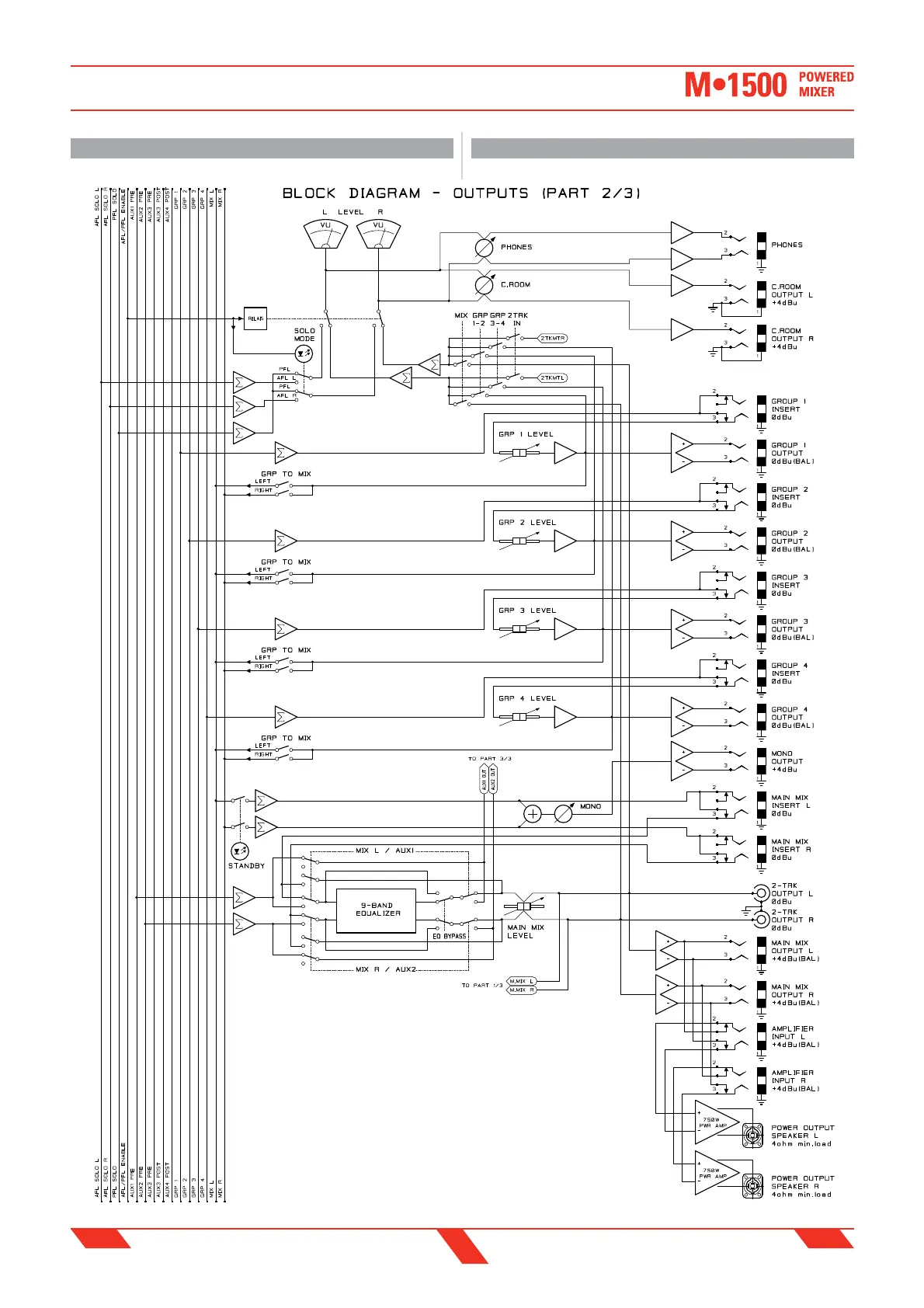
PROEL M1500 - Block Diagram (Outputs Part 2 of 3); Diagramma a Blocchi (Uscite Parte 2 DI 3)

PROEL M1500
42 pages
Print Icon
To Next Page IconTo Next Page
To Next Page IconTo Next Page
To Previous Page IconTo Previous Page
To Previous Page IconTo Previous Page
Loading...
38
ENG ITA
BLOCK DIAGRAM
DIAGRAMMA A BLOCCHI
BLOCK DIAGRAM (OUTPUTS PART 2 OF 3) DIAGRAMMA A BLOCCHI (USCITE PARTE 2 DI 3)

Related product manuals