EasyManua.ls Logo

PROEL PRL1300 - STEREO_POWER_AMP_PRL1300

PROEL PRL1300
11 pages
Print Icon
To Previous Page IconTo Previous Page
To Previous Page IconTo Previous Page
Loading...
1 2 3 4 5 6
A
B
C
D
654321
D
C
B
A
Title
Number RevisionSize
C
Date: 23-May-2001 Sheet of
File: A:\PRL1300-900-500.ddb Drawn By:
TR25
MJ21193
TR26
MJ21193
TR18
MJ21193
TR27
MJ21193
TR28
MJ21193
TR17
MJ21193
TR19
MJ21193
TR20
MJ21193
TR34
MJE15031
TR29
MJ21194
TR30
MJ21194
TR31
MJ21194
TR32
MJ21194
TR21
MJ21194
TR22
MJ21194
TR23
MJ21194
TR24
MJ21194
TR33
MJE15030
R3
0.47E 3W
R24
0.47E 3W
R18
0.47E 3W
R58
22E 1W
R63
2K2 7W
R64
2K2 7W
R21
0.47E 3W
R38
10E 2W
R14
0.47E 3W
R9
0.47E 3W
R13
0.47E 3W
R26
0.47E 3W
R30
0.47E 3W
R27
0.47E 3W
R17
0.47E 3W
R29
0.47E 3W
R5
0.47E 3W
R11
0.47E 3W
R6
0.47E 3W
R2
0.47E 3W
R34
22E 1W
R41
10E 2W
C1
3N3
C5
3N3
C9
1N5
C29
27P
C2
2N2
C3
33N
D5
1N4007
D12
1N4007
D14
1N4007
D19
1N4007
D4
1N5403
D17
1N4007
D6
1N4007
D3
1N5403
D15
1N4007
R40
47E
VR1
100E
R51
1K
R39
1K
R95
100E
R86
22K 1/2W
D13
3V9 1W
D18
4V7 1W
VR3
2K2
R35
NTC 50R
°C
R62
680E 5W
R77
75K 1%
C40
120N
R79
510E 1%
R83
100E
D32
W02G
5
6
7
IC3-B
NE5532
3
2
1
8 4
IC3-A
NE5532
C30
47P
R76
10K
R75
10K
R78
6K8
JS6
D31
15V 1W
D25
15V 1W
C15
220U 25V
C28
220U 25V
C31
100N
C36
100N
-15VA
+15VA
+15VA
-15VA -VA
+VA
OUT_L
TR4
MJ21193
TR3
MJ21193
TR11
MJ21193
TR2
MJ21193
TR1
MJ21193
TR12
MJ21193
TR10
MJ21193
TR9
MJ21193
TR36
MJE15031
TR8
MJ21194
TR7
MJ21194
TR6
MJ21194
TR5
MJ21194
TR16
MJ21194
TR15
MJ21194
TR14
MJ21194
TR13
MJ21194
TR35
MJE15030
R15
0.47E 3W
R25
0.47E 3W
R31
0.47E 3W
R33
22E 1W
R70
2K2 7W
R72
2K2 7W
R28
0.47E 3W
R42
10E 2W
R1
0.47E 3W
R8
0.47E 3W
R4
0.47E 3W
R23
0.47E 3W
R19
0.47E 3W
R22
0.47E 3W
R32
0.47E 3W
R20
0.47E 3W
R12
0.47E 3W
R7
0.47E 3W
R10
0.47E 3W
R16
0.47E 3W
R37
22E 1W
R45
10E 2W
C7
3N3
C8
3N3
C12
1N5
C17
27P
C6
2N2
C4
33N
D10
1N4007
D9
1N4007
D8
1N4007
D30
1N4007
D2
1N5403
D29
1N4007
D11
1N4007
D1
1N5403
D23
1N4007
R44
47E
VR2
100E
R47
1K
R43
1K
R93
100E
R53
22K 1/2W
D8
3V9 1W
D22
4V7 1W
VR4
2K2
R36 NTC 50R
°C
R71
680E 5W
R52
75K 1%
C15
120N
R56
510E 1%
R54
100E
D24
W02G
5
6
7
IC2-B
NE5532
3
2
1
8 4
IC2-A
NE5532
C23
47P
R60
10K
R59
10K
R65
6K8
JS3
D21
15V 1W
D20
15V 1W
C10
220U 25V
C11
220U 25V
C21
100N
C22
100N
-15VB
+15VB
+15VB
-15VB -VB
+VB
OUT_R
5
6
7
IC4-B
TL072
3
2
1
8 4
IC4-A
TL072
C33
4U7 25V
C34
47P
DL3
14
3 2
R82
2K2
R80
27K
1
2
3
CN4
R90
10K
R85
1K
R89
10K
R88
10K
R84
10K
C35
47P
C39 47P
D34
15V 1W
D35
15V 1W
D36
15V 1W
D33
15V 1W
1
2
3
CN7
1 2
3 4
5 6
7 8
9 10
11 12
13 14
CN3
C42
100N
C38
100N
C41
47U 25V
C37
47U 25V
R91
22E
R87
22E
-15VA
+15VA
5
6
7
IC1-B
TL072
3
2
1
8 4
IC1-A
TL072
C19
4U7 25V
C13
47P
DL1
14
3 2
R50
2K2
R48
27K
1
2
3
CN1
R69
10K
R57
1K
R68
10K
R67
10K
R55
10K
C14
47P
C26
47P
D27
15V 1W
D15
15V 1W
D25
15V 1W
D26
15V 1W
1
2
3
CN2
C27
100N
C25
100N
C24
47U 25V
C20
47U 25V
R66
22E
R61
22E
-15VB
+15VB
JS1
JS4
JS2
JS5
R46
10E
R74
33K
R73
33K
+15VB
-15VB
+15VA
-15VA
GND
IN_A+
IN_A-
PARALLEL
SW1
STEREO
IN_B-
IN_B+
GND
POT A
DL4
POT B
DL2
C32
47U 25V
GND
GND
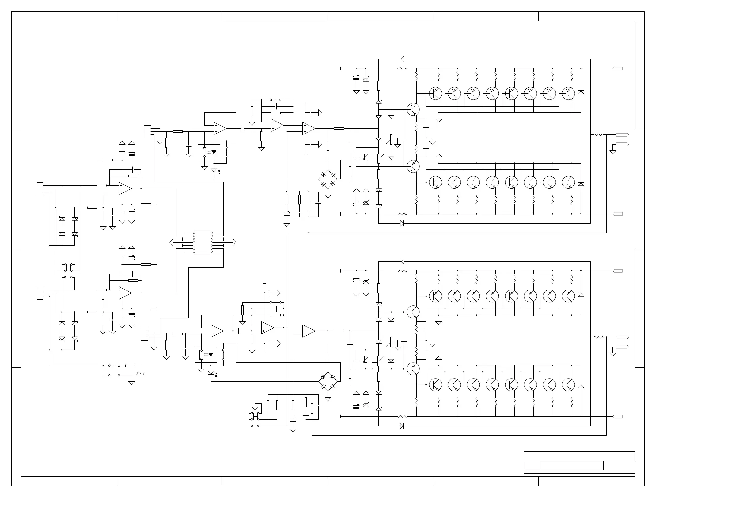
STEREO POWER AMP. PRL 1300
C18
47U 25V
BRIDGE
SW2
PROEL S.p.A.

Related product manuals