EasyManua.ls Logo

PROFAX WP-250 - Warranty Information; Positioner Specifications; Dimensional Drawings

PROFAX WP-250
8 pages
Print Icon
To Next Page IconTo Next Page
To Next Page IconTo Next Page
To Previous Page IconTo Previous Page
To Previous Page IconTo Previous Page
Loading...
ELECTRICAL SHOCK CAN CAUSE INJURY OR DEATH
Electrical equipment must be installed and maintained in accordance with the National Electrical Code, NFPA 70, and all local codes. Maintain Mig-Guns,
Electrode Holders, Tig Torches, Plasma Torches, Work Clamp, Welding Cable, and Welding Machines in good, safe operating condition. Replace worn or
damaged insulation. Do not try to repair or service equipment while the power is still on. Do not service or repair equipment unless you are trained and
qualified to do so. The Electrode and Work (or Ground) circuits are electrically “HOT” when equipment power is on. At no time should you touch the
Electrode and Electrical Ground at the same time with bare skin or wet clothing while the power is on. Insulate yourself from work and ground using dry insulation.
When welding in damp locations make certain the insulation is large enough to cover your full area of physical contact with work and ground. Ground the work (metal
to be welded) to a good electrical earth ground. Keep gas cylinders, chains, wire ropes, hoists, cranes, and elevators away from any par t of the electrical path.
Always be sure the work cable makes a good electrical connection with the metal being welded. Occasionally check all ground connections to determine if they are
mechanically strong and electrically adequate for the current required. The ground connection should be as close as possible to the area being welded. Never touch
electrically “HOT” parts of electrode holders connected to two welding power sources at the same time. The voltage between the two can be the total of the open
circuit voltage of both power sources. When the welding or cutting process requires values of open circuit voltages in alternating current machines higher than 80
volts, and direct current machines higher than 100 volts, adequate insulation or other means must be provided to prevent the operator from making accidental contact
with the high voltage. The use of reliable automatic controls for reducing no load voltage is recommended to reduce shock hazard. When not welding for any
substantial period of time, make certain that no par t of the electrode circuit will accidentally make contact with the work or ground. Never immerse Mig-Guns,
Electrode Holders, Tig Torches, Plasma Torches, or Electrodes in water for cooling.
REFERENCES: See Safety and Operating References A,F,H, and I.
SMOKE, FUMES, AND GASES CAN BE DANGEROUS TO YOUR HEALTH
Keep smoke, fumes, and gases from your breathing zone and the general area. Smoke, fumes, and gases from the welding or cutting process are of
various types and strengths, depending on the kind of base metal being welded on. To ensure your safety, do not breathe these fumes or gases.
Ventilation must be adequate to remove smoke, fumes, and gases during the welding procedure to protect operators and others in the immediate area.
Do not weld in locations where chlorinated hydrocarbon vapors are coming from degreasing, cleaning, or spraying operations. Vapors of chlorinated solvents can form
the toxic gas “phosgene” when exposed to ultraviolet radiation from an electric arc. All solvents, degreasers, and potential sources of these vapors must be removed
from the welding area. Shielding gases used for arc welding can displace air and cause injury or death. Fumes produced by welding or cutting, especially in confined
areas, can cause discomfort and physical harm if inhaled over an extended period of time.
Always provide adequate ventilation in the welding and cutting area to insure breathing air is safe. Use air-supplied respirators if ventilation is not adequate to remove
all fumes and gases. Never Ventilate with Oxygen, because oxygen supports and vigorously accelerates fire.
REFERENCES: See Safety and Operating References A,B,C,H, and I.
HOT PARTS
Hot parts can cause serious burns. The area at and near the work being welded should be handled with proper gloves. Proper clothing should be worn
to prevent spatter or chipped slag from causing burns. Never pick up welded material until it has properly cooled.
REFERENCES: See Safety and Operating References A, B, H, & I.
MOVING PARTS MAY CAUSE INJURY
Have only qualified people remove guards or covers for performing maintenance and troubleshooting. Moving par ts such as cooling fans can maim
fingers or hands and catch loose clothing. Keep tools, hands, hair and clothing away from moving parts. Be sure to reinstall all panels and guards before
operating equipment.
FALLING EQUIPMENT
Lift only the unit to be moved without any running gear, accessories or gas cylinders that may be attached to it. Use equipment of a proper size to lift
and move the unit. Falling equipment can cause personal injury and equipment damage.
REFERENCES: See Safety and Operating References A, B, H, & I.
Safety and Operating References
A) ANSI Z49.1, “Safety in Welding and Cutting”
B) ANSI Z87.1, “Practice for Occupational and Educational Eye and Face Protection”
C) ANSI Z88.2, “Standard Practice for Respiratory Protection”
ANSI: American National Standard Institute, 1430 Broadway, New York, NY 10018
D) ANSI F4.1, “Recommended Safe Practices for Welding and Cutting Containers”
AWS: The American Welding Society, P.O. Box 351040, 550 NW Lejeune Rd., Miami, FL 33135
E) NFPA 51B, “Fire Prevention in Cutting and Welding Processes”
F) NFPA-70, “National Electrical Code”
NFPA: National Fire Protection Association, Batterymarch Park, Quincy, MA 02269
G) CGA P-1, “Precautions for Safe Handling of Compressed Gases in Cylinders”
CGA: Compressed Gas Association, 1235 Jefferson Davis Hwy., Arlington, Va 22202
H) Code of Federal Regulations (OSHA) 29 CFR 1910
US: U.S. Government Printing Office, Washington, DC 20402
I) CSA Standard W117.2, “Safety in Welding, Cutting and Allied Processes”
CSA: Canadian Standards Association, 178 Rexdale Blvd., Rexdale, Ontario, Canada M9W 1R3
®
®
Warnings and Safeguards for
Welding and Cutting Operations
1i
®
®
Warranty
LIMITED WARRANTY: Subject to the terms and conditions hereof, PROFAX, Pearland, TX warrants its products to be free from defects in
workmanship and material at the time of delivery by PROFAX.
PROFAX will honor warranty claims on products as a result of failure from a defect for a time period of 90 days from the date of sale to the
original user. Upon return of the merchandise at the user’s expense, PROFAX reserves the right to either repair or replace as necessary. This
is the only warranty either expressed or implied covering this product.
IMPORTANT - Protect yourself and others! Remember that safety depends on you. The operator, supervisor, and helper must read and
understand all warning and safety information provided in these instructions. Serious injury or death could result if welding equipment is not
properly installed, used and maintained. Training and proper supervision are most important for a safe work place. Installation, operation,
repair work, and maintenance must be preformed by qualified personnel. Retain these instructions for future use.
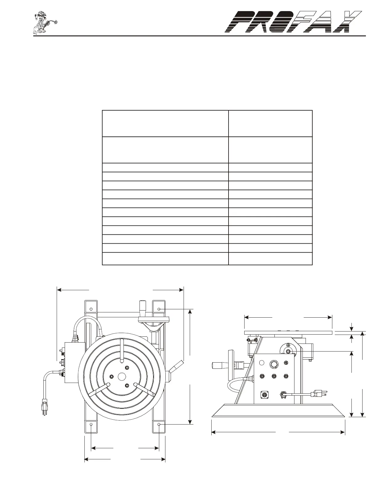
Positioner Specifications:
Horizontal Weight Capacity, (Lbs.)
Note: C/G of load not to be more than 4” 440
from Center of Turntable.
Vertical Weight Capacity, (Lbs.)
Note: C/G of load not to be more than 4” 250
from Center of Turntable.
Motor, (Horsepower) 1/8
Power Requirement, (Volts/Amps) 115V @ 5 amps
Rotation Speed Range, (RPM) 0 - 5
Table Diameter, (in.) 13-3/4”
Tilting Angle 0 - 90°
Tilting Method Manual
Table Grounding Carbon Brush
Table Height @ Horizontal, (in.) 13-7/32”
Unit Length, (in.) 21”
Unit Width, (in.) 12-7/16”
Shipping Weight, (Lbs.) 113
Positioner Dimensional Drawings:
Figure No. 1 Dimensional Drawings
18-5/8”
13-7/32”
12-7/16”
13-3/4” Dia.
21”
10-3/64” 9/16”
10-1/2”
19-1/2” Clearance Width