EasyManua.ls Logo

ProForm 580 Lt Treadmill - Page 30

ProForm 580 Lt Treadmill
32 pages
Print Icon
To Next Page IconTo Next Page
To Next Page IconTo Next Page
To Previous Page IconTo Previous Page
To Previous Page IconTo Previous Page
Loading...
81
2
81
2
81
2
4
84
8
8
84
4
6
9
6
6
9
9
7
9
7
9
21
22
113
113
75
23
23
8
8
77
77
74
78
83
82
76
79
82
86
85
80
80
80
13
81
2
13
104
52
38
38
12
47
60
12
30
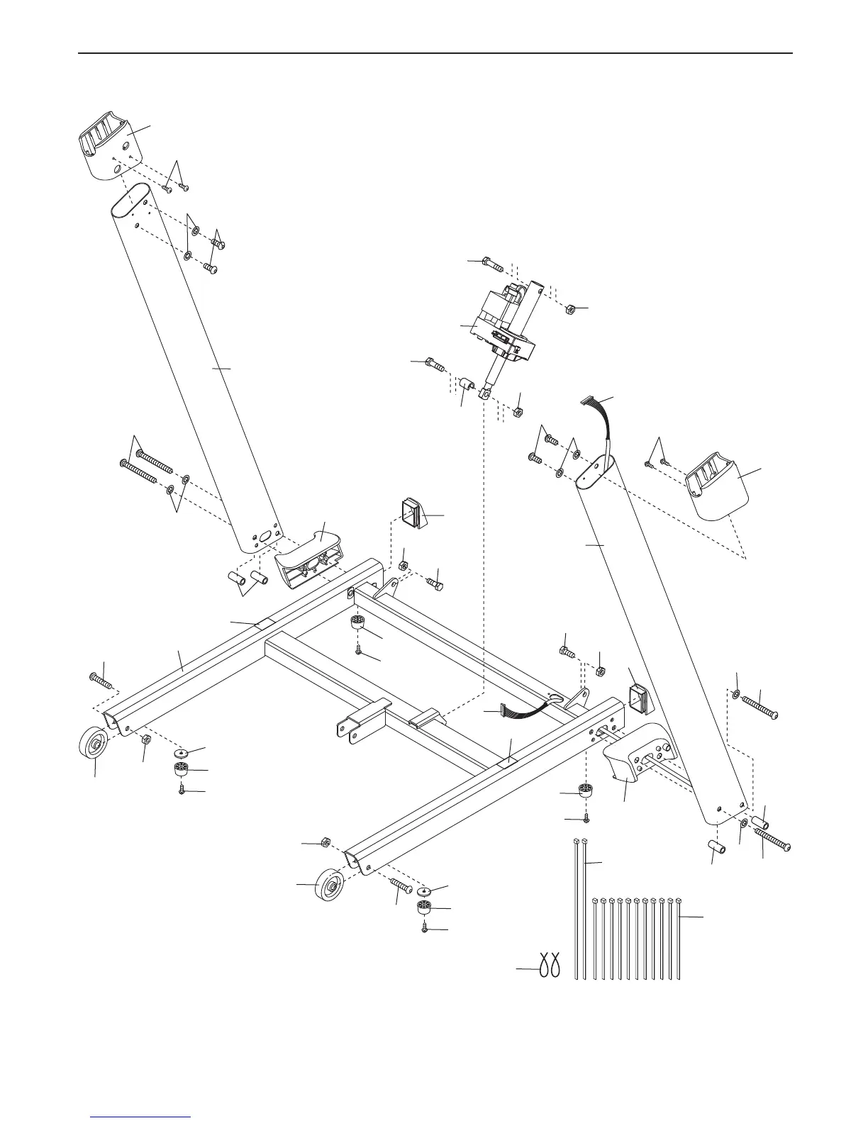
EXPLODED DRAWING C—Model No. PFTL49908.2 R1208A

Related product manuals