EasyManua.ls Logo

ProForm PFTL721040 - Page 33

ProForm PFTL721040
34 pages
Print Icon
To Next Page IconTo Next Page
To Next Page IconTo Next Page
To Previous Page IconTo Previous Page
To Previous Page IconTo Previous Page
Loading...
112
113
104
34
95
56
108
108
108
108
96
108
108
108
108
108
108
108
108
108
108
108
108
108
108
108
102
111
108
108
108
108
108
108
108
108
101
109
51
31
44
44
71
103
108
97
89*
90
94
20
91
92
89*
20
94
90
91
92
75
108
99
80
100
38
20
20
38
74
103
99
80
74
75
100
76
77
108
108
77
76
108
45
46
82
84
79
108
80
99
80
80
99
80
24
117
108
106
108
107
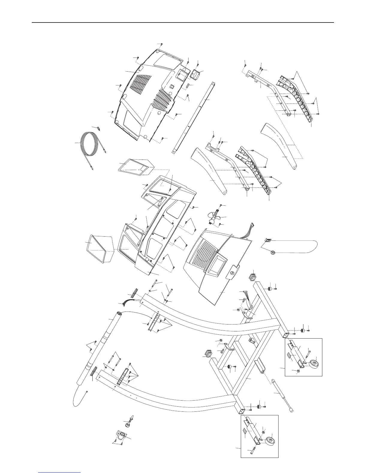
EXPLODED DRAWING—Model No. PFTL721040 R1104A

Related product manuals