EasyManua.ls Logo

protech ProMAX - 2-speed gearbox instructions; Adjusting the Shift Point

protech ProMAX
44 pages
Print Icon
To Next Page IconTo Next Page
To Next Page IconTo Next Page
To Previous Page IconTo Previous Page
To Previous Page IconTo Previous Page
Loading...
- 39
2-speed gearbox instructions (optional part) / Instructies voor een tweeversnellingsbak (in optie) /
Boîte de vitesse à 2 rapports (en option) /
Use the parts that come with your car
2nd Clutch
Gear 18T
T54.524
Clutch Bell
(for 2 speed)
T54.501
1nd Clutch
Gear 14T
T54.519
5x8x2,5mm
Ballbearing
T58.043
5x8x0,8mm
Washer
5x8x0,3mm
Washer
3x8x0,5mm
Washer
3x5mm
Screw
Dust Cover
T54.514
3x8x0,5mm
Washer
FOR SG PILOT SHAFT
FOR NORMAL PILOT SHAFT
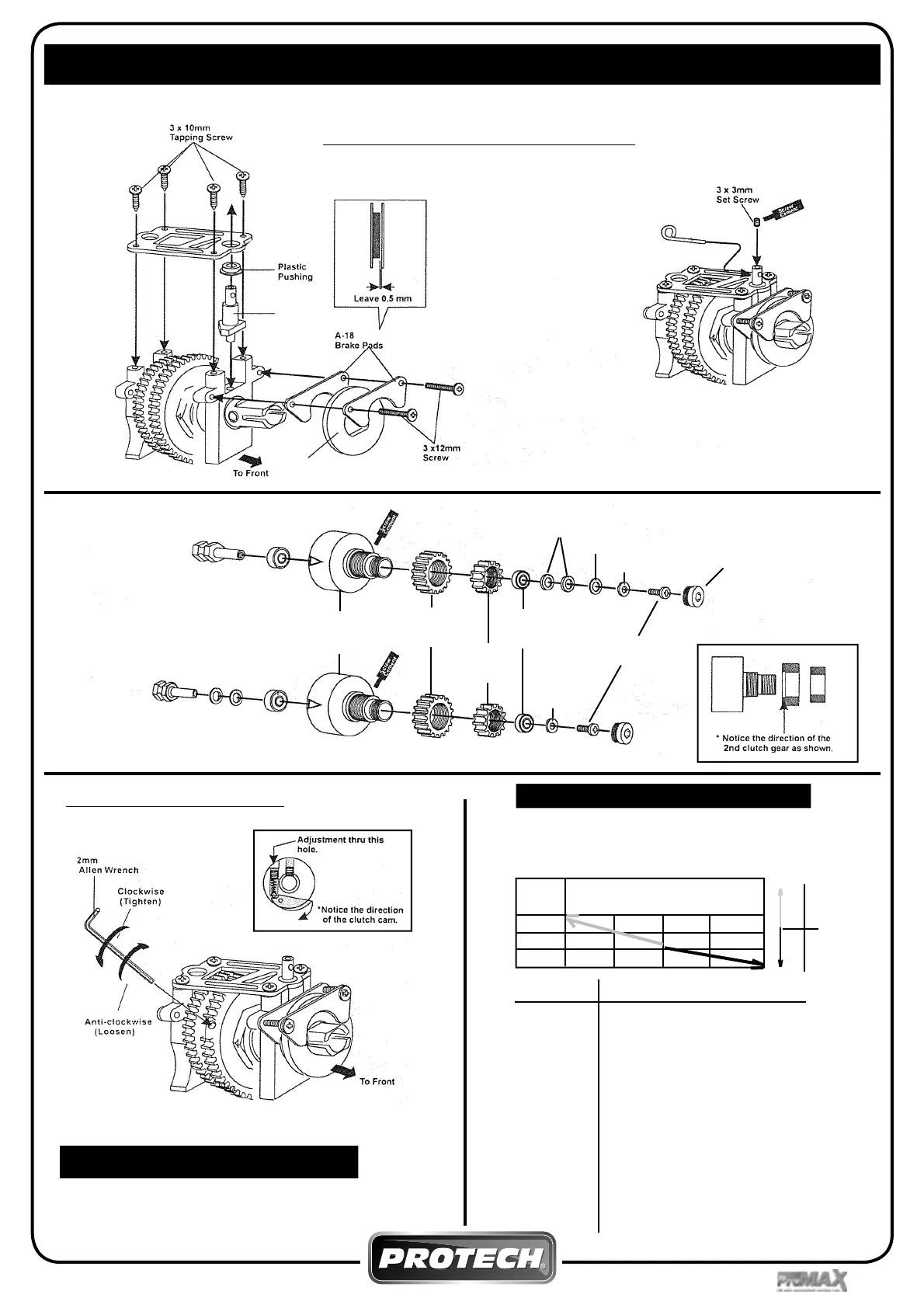
ADJUSTING THE SHIFT POINT
Adjust the engine before adjusting the clutch shift timing
Once the engine adjustment have been completed, proceed to adjustment of the clutch
shift timing.
(using a 2mm allen wrench to adjustment the clutch cam.)
NOTE: Clockwise ----------- Shift timing will become slower.
Anticlockwise ------- Shift timing will become quicker.
Short Track
Torque
Long Track
Top Speed
SPUR CLUTCH GEAR
GEAR (4 tooth difference)
49T/45T 13T/17T 14T/18T 15T/19T 16T/20T
48T/44T
47T/43T
2 SPEED GEAR RATIO COMBINATIONS
Important:
The Sum of the spur gear and the clutch gear for 1st gear must be
equal to the Sum of the spur gear and the clutch gear for 2nd gear.
Example: 1st gear 45+13=58
2nd gear 41+17=58
Ref. nr. De scrip tion
T54.518 Spur gear 44T 2nd gear
T54.512 Spur gear 45T 2nd gear
T54.517 Spur gear 46T 2nd gear
T54.516 Spur gear 47T 1st gear
T54.515 Spur gear 48T 1st gear
T54.511 Spur gear 49T 1st gear
T54.519 Clutch gear 14T 1st gear
T54.520 Clutch gear 15T 1st gear
T54.521 Clutch gear 16T 1st gear
T54.522 Clutch gear 17T 1st gear
T54.523 Clutch gear 17T 2nd gear
T54.524 Clutch gear 18T 2nd gear
T54.525 Clutch gear 19T 2nd gear
T54.526 Clutch gear 20T 2nd gear
T54.527 Clutch gear 21T 2nd gear
• Adjust the clutch shift timing for your track conditions with 4x4mm set screw.
• As you tighten (clockwise) the 4x4mm set screw, the shift timing will become slower.
• As you loosen (anticlockwise) the 4x4mm set screw, the shift timing will become
quicker.
• Set the shift timing to the track conditions while the car is running.

Table of Contents

Related product manuals