EasyManua.ls Logo

Proteus TG-520 - Page 14

Proteus TG-520
24 pages
Print Icon
To Next Page IconTo Next Page
To Next Page IconTo Next Page
To Previous Page IconTo Previous Page
To Previous Page IconTo Previous Page
Loading...
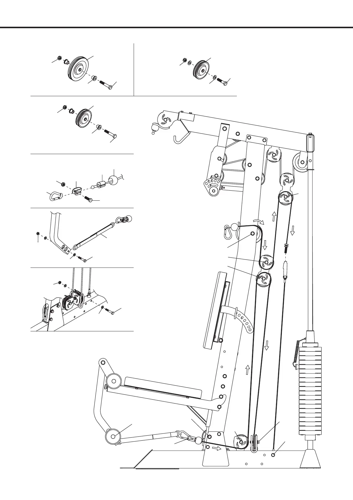
ASSEMBLY INSTRUCTIONS
STEP. 14
K
M52
M53
M72
R
M78
M57
S
T
M39
M29
M83
M66
M36
M83
M83
M88
M68
M88
M83
M24
K
L
M
N
O
P
Q
R
S
T
- 12 -
N
M29-1
M83
M91
M37
L,M, P,QO,
M81
M37
M83
M88

Related product manuals