EasyManua.ls Logo

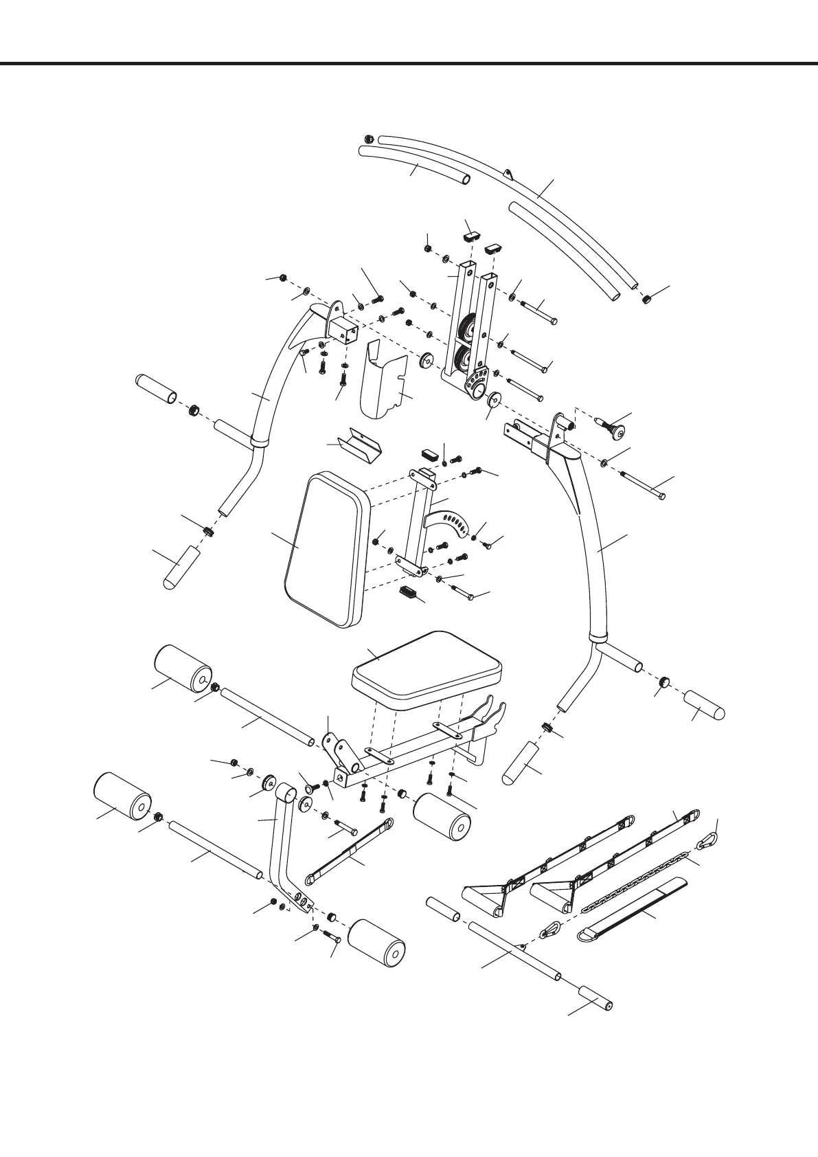
Proteus TG-520 - Exploded Drawing

Proteus TG-520
24 pages
Print Icon
To Next Page IconTo Next Page
To Next Page IconTo Next Page
To Previous Page IconTo Previous Page
To Previous Page IconTo Previous Page
Loading...
M05
M06
M07
M08
M09
M10
M14
M17
M21
M19
M20
M36
M42
M43
M44
M48
M49
M50
M51
M50
M56
M57
M59
M60
M62
M80
M82
M77
M67
M67
M44
M55
M86
M63
M86
M75
M65
M70
M88
M86
M63
M50
M51
M51
M87
M71
M42
M65
M86
M63
M85
M83
M88
M72
M44
M43
M35
M87
88
M70
M70
M83
M58
- 16 -
EXPLODED DRAWING
M88
M89
M83
M90
M94

Related product manuals