EasyManua.ls Logo

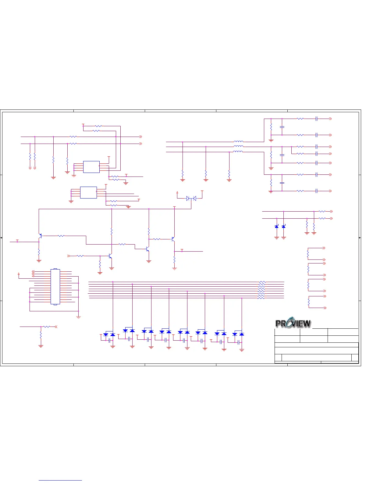
Proview UK513 - VGA AND DVI INTERFACE SCHEMATICS; DVI Interface and Signal Conditioning Circuitry; VGA Input Signal Processing Circuitry

Proview UK513
34 pages
Print Icon
To Next Page IconTo Next Page
To Next Page IconTo Next Page
To Previous Page IconTo Previous Page
To Previous Page IconTo Previous Page
Loading...
5
5
4
4
3
3
2
2
1
1
D D
C C
B B
A A
ADD R8 AND R12
PREPARE BY
APPROVE BY CHECK BY
VGA IN(DVI_ PIGTAIL) A
MSTAR COSTDWON(DVI_I PIGTAIL) LVDS&RSDS OUT
Custom
37Wednesday, December 01, 2004
Title
Size Document Number Rev
Date: Sheet
of
SCL_D1
DDC_CLK
DDC_DAT
DDC_DAT
SDA_D1
DDC5V
DDC_CLK
R+
B-
G+
R-
B+
CLK+
G-
CLK-
CLK+
DATA2-
DATA1-
DATA0+
B
HSYNC_IN
VSYNC_IN
SDA_D1
SCL_D1
DATA1+
DATA0-
R
HPDET_D1
DATA2+
CLK-
G
R
B
G
HSYNC_IN
VSYNC_IN
HPDET_D1
DATA1-
DATA2-
DATA2+
DATA1+
GND
GND
GND
VGA_DDC5V
DDC5V
DVI_DDC5V
DDC5V
B+
G-
R-
R+
CLK+
B-
CLK-
CLK-
G+
GND
GND
GND
DATA0+
CLK+
GND
DATA0-
GND
DDC_DAT1
6
DDC_CLK1
6
DDC_DAT 6
DDC_CLK 6
R1
L1
GNDG 4
GIN 4
RIN 4
BIN 4
GNDB 4
SOG 4
GNDR 4
VSYNC 4
HSYNC 4
ST_DET1 6
DDC_WP6
B- 4
G- 4
CLK+ 4
CLK- 4
R- 4
R+ 4
B+ 4
G+ 4
DDC5V
VGA_DDC5V
DDC5V
DVI_DDC5V
DVI_5V
U_GND
VCC5V
VCC5V
VCC5V
VCC5V
VCC5V
VCC5V
VCC5V
DVI_DDC5V
VGA_DDC5V
DVI_5V
DDC5V
DDC5V
VCC5VVCC5V
C77
0.1uF
R24
2K2
C76
0.1uF
R219 10R
R35 20
R224
100
R220 10R
R27 33
R213
100
 
D5
ESD
Q204
2N3906
B
EC
R205
100K
U2
AT24C21
1
2
3
4 5
6
7
8
NC
NC
NC
GND SDA
SCL
VCLK
VCC
R36
75_1%
D7
ESD
R221 10R
D23
BAV99
3
2
1
R30 47
R201 3.3K
R225
100
D28
BAV99
3
2
1
R22 100
D27
MMBD7000
3
2
1
C75
0.1uF
C22 47nF
C71
0.1uF
Q203
2N3904
B
E C
R211
33
D24
BAV99
3
2
1
C74
0.1uF
R26 33
R33 470
D26
BAV99
3
2
1
R34 47
C26 47nF
D25
BAV99
3
2
1
D8
ESD
R222
100
R212
33
R8100
C70
0.1uF
C23 1000pF
C21 47nF
R29
75_1%
C30
NC
D101
ESD
Q202
2N3904
B
E C
R28 20
C25 47nF
D6
ESD
R37 47
D4
MMSZ5237B
1 2
R12
100
R210
10K
D9
ESD
R17 100
C72
0.1uF
R207
10K
D3
MMSZ5237B
1 2
C24
NC
R202
33K/NC
C73
0.1uF
R214 10R
FB5 SBK160808T-300Y-S
R206 33K
R23
10K
Q201
2N3906
B
EC
FB6 SBK160808T-300Y-S
R215 10R
U6
AT24C21
1
2
3
4 5
6
7
8
NC
NC
NC
GND SDA
SCL
VCLK
VCC
C31 47nF
R203 10K
R209
33K/NC
C20
NC
R208 3.3K
R216 10R
R204
2.2K
FB4 SBK160808T-300Y-S
R31 20
R32
75_1%
R217
10R
CN2 PHD 2.0/90D
2
4
6
8
10
12
14
16
18
20
22
24
26
28
1
3
5
7
9
11
13
15
17
19
21
23
25
27
C19 47nF
R21
10K
R19 10K
BAT54C
D1
1 2
3
D30
BAV99
3
2
1
R223
100
R20 10K
R218 10R
D29
BAV99
3
2
1

Related product manuals