EasyManua.ls Logo

PSB CHS212 - Page 15

PSB CHS212
52 pages
Print Icon
To Next Page IconTo Next Page
To Next Page IconTo Next Page
To Previous Page IconTo Previous Page
To Previous Page IconTo Previous Page
Loading...
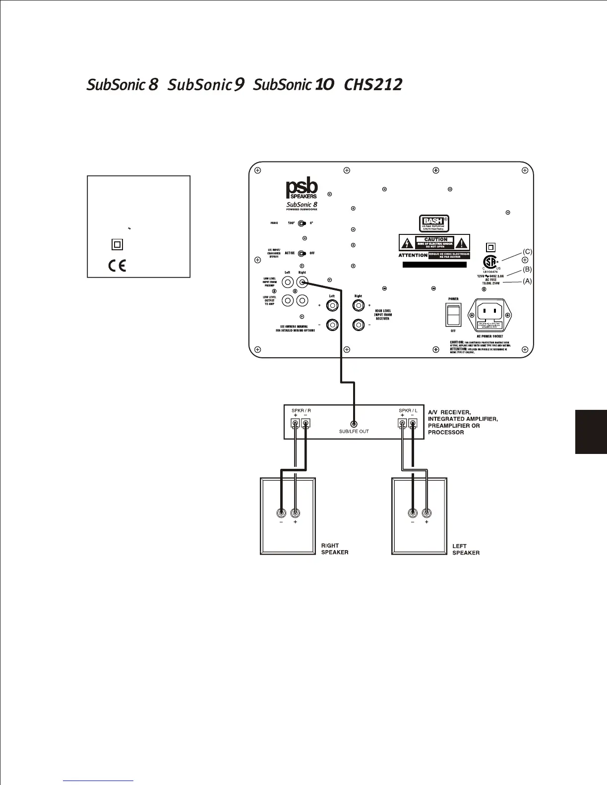
With SUBWOOFER/LFE INPUT
INTÉGRATION avec RÉCEPTEUR A/V / ENTRÉE LFE
INTEGRACIÓN con RECEPTOR de AUDIO-VIDEO/ENTRADA LFE
Use this configuration to connect the subwoofer to an A/V receiver or processor's subwoofer/LFE output. The LFE input/crossover
bypass switch should be set to active only if your A/V receiver/processor subwoofer/LFE output is low pass filtered.
Utilisez cette configuration pour raccorder le haut-parleur de sous-grave à un récepteur A/V ou à la sortie sub/LFE du processeur.
L'interrupteur de l'entrée/dérivation du filtre séparateur de fréquences LFE doit être réglé à « active » seulement si votre sortie de
récepteur/processeur/caisson de grave LFE est filtrée bas-niveau.
Use esta configuración para conectar el subgrave a un receptor de audio/video o a la salida sub/LFE de un procesador. El interruptor
que permite pasar por alto le entrada LFE/red divisora debe ponerse un la posición activa solamente si hay un filtro de pase bajo en
la salida para altavoz subgrave del receptor de audio-video/procesador.
15
Hook up same for all models—SubSonic
8 Back Plate used for illustration.
Le raccordement est le même pour tous
les modèles—Plaque arrière SubSonic 8
est utilisée pour fins d'illustration.
La conexión es la misma para todos los
modelos—Se usa el panel posterior del
SubSonic 8 como ilustración.
Made in Canada / Fabrique au Canada
(A)
(B)
(C)
SubSonic 8 CE
MODEL ONLY
SEE
220-240V 50/60HZ
T 1.5A, 250V
/ /
FIGURE 3
/
ENGENG

Table of Contents

Other manuals for PSB CHS212

Related product manuals