EasyManua.ls Logo

PSB HD10 - Page 19

PSB HD10
23 pages
Print Icon
To Next Page IconTo Next Page
To Next Page IconTo Next Page
To Previous Page IconTo Previous Page
To Previous Page IconTo Previous Page
Loading...
LFE OUTPUT
LFE INPUT
HD10
SubSeries
BASS LEVEL
CROSSOVER
PHASE
S/N
TRIGGER INPUT
9-30V AC/DC
90°
180°
270°
360°
50
80
150
110
0 10
SubSeries HD
With HIGH LEVEL INPUT
Avec ENTRÉE HAUT-NIVEAU
Con ESTRADA de NIVEL ALTO
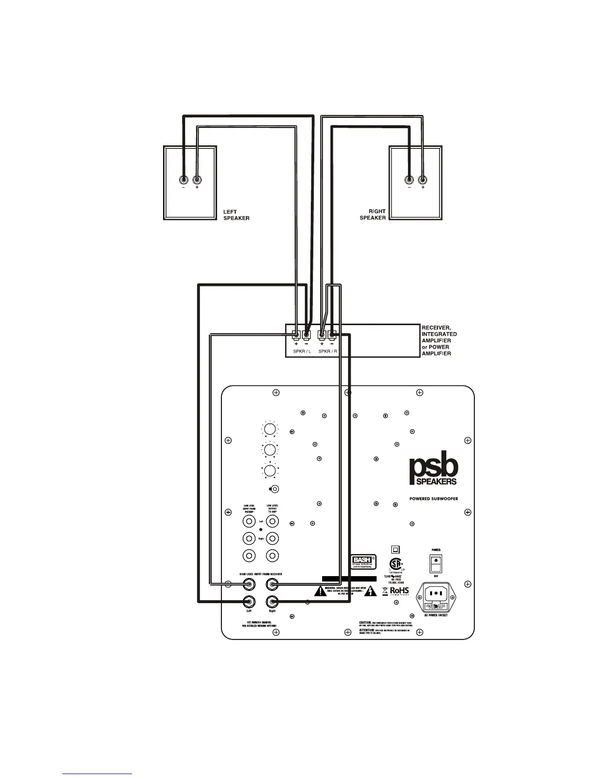
Figure 4
High level connections wire the subwoofer to the speaker output terminals of a receiver or amplifier, just as if the subwoofer was a
pair of speakers.
Les connexions haut-niveau relient le haut-parleur de sous-grave aux bornes de sorties h.-p. d'un récepteur ou d'un amplificateur,
comme s'il s'agissait d'une paire d'enceintes acoustiques.
Para conexión al nivel alto se conecta el subgrave a las terminales de salida para altavoz de un receptor o amplificador como si se
tratase de un par de altavoces.
Hook up same for all
models—HD10 Back Plate
used for illustration.
Le raccordement est le même
pour tous les modèles—Plaque
arrière HD10 est utilisée
pour fins d'illustration.
La conexión es la misma para
todos los modelos—Se usa el
panel posterior del HD10
como ilustración.
19

Other manuals for PSB HD10

Related product manuals