EasyManua.ls Logo

QFX PBX-7 - Descripción de Partes

QFX PBX-7
32 pages
Print Icon
To Next Page IconTo Next Page
To Next Page IconTo Next Page
To Previous Page IconTo Previous Page
To Previous Page IconTo Previous Page
Loading...
ES-1
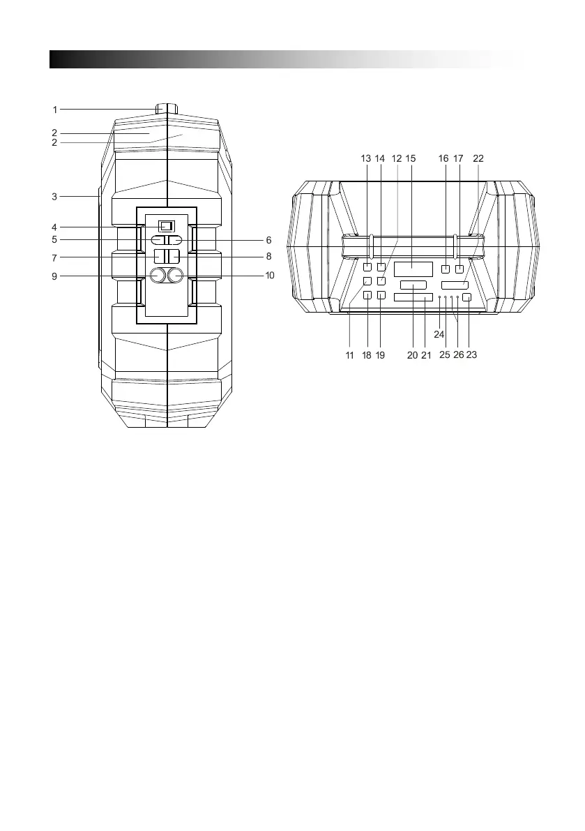
1. Manija
2.Carcasa con terminado de
goma
3. Rejilla protectora
4. Encender/Apagar
5. Puerto DC
6. Puerto auxiliar
7. Puerto USB
8. Puerto de carga USB
9. Puerto Micrófono 1
10. Puerto Micrófono 2
11. Anterior
12. Siguiente
13. Repetir
14. Ecualizador
15. Pantalla LED
16. EH- Bajar Eco
17. EH+ Subir Eco
18. Seleccionar fuente de audio
19. Pausar/Reproducir
20. Volumen +/-
21. Luz LED
22. Subir/Bajar Volumen del
micrófono
23. Luz
24. Modo de espera
25. LED Bluetooth
26. Indicador de nivel de batería
Descripción de partes

Related product manuals