EasyManua.ls Logo

QFX PBX-7 - Part Descriptions

QFX PBX-7
32 pages
Print Icon
To Next Page IconTo Next Page
To Next Page IconTo Next Page
To Previous Page IconTo Previous Page
To Previous Page IconTo Previous Page
Loading...
EN-1
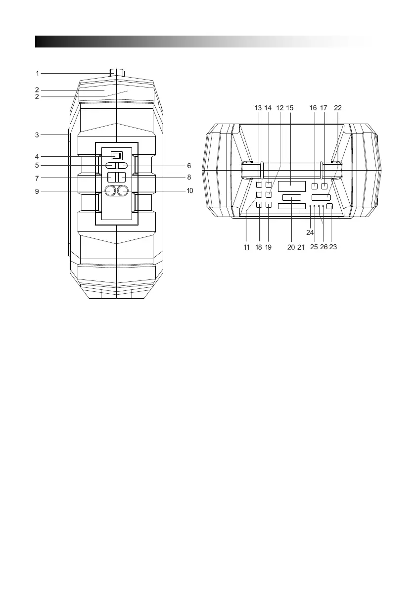
1. HANDLE
2. RUGGEDIZED HOUSING
3. NET COVER
4. POWER ON/OFF KEY
5. DC INPUT
6. LINE INPUT
7. USB PORT
8. USB CHARGE PORT
9. MIC PHONE PORT1
10. MIC PHONE PORT2
11. TUNING DOWN
12. TUNING UP
13. REPEAT KEY
14. EQ KEY
15. LED DISPLAY
16. EH DOWN
17. EH UP
18. SOURCE SELECT
19. PAUSE / PLAY KEY
20. VOLUME (-/+) KEY
21. LED LIGHT
22. MIC VOLUMEUP / DOWN
23. LIGHT
24. STANDBY STATUS
25. BLUETOOTH LED INTERFACE
26. BATTERY LEVEL INDICATION
PART DESCRIPTIONS

Related product manuals