EasyManua.ls Logo

QSC HPR151W - Page 14

QSC HPR151W
20 pages
Print Icon
To Next Page IconTo Next Page
To Next Page IconTo Next Page
To Previous Page IconTo Previous Page
To Previous Page IconTo Previous Page
Loading...
14
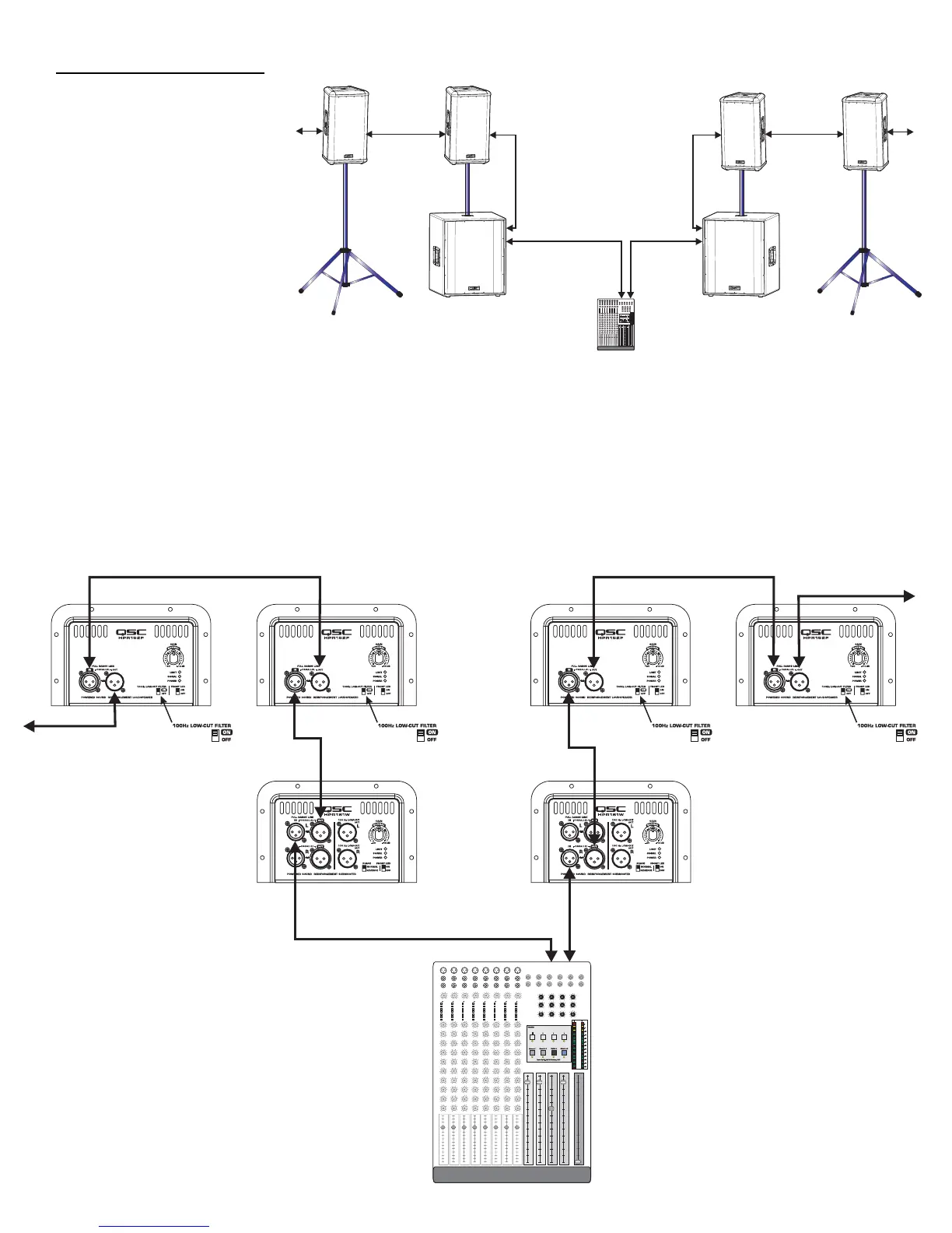
Application Example #4 hookup diagram.
Use only high-quality balanced cables for interconnecting the audio equipment.
Ensure the top-boxes have their 100 Hz LOW-CUT FILTER switched on when connecting to the subwoofer’s FULL RANGE LINE OUT as a signal source.
Also, be sure to use either the Left or Right (marked L or R) on the subwoofers. If the subwoofer’s input is connected to the Right (R) channel connec-
tor and the output to the top-boxes is connected to the Left (L) channel connector, no signal will reach the top-box (no sound from the top-box).
HPR152F or HPR153F
HPR152F or HPR153F
Mixer or Other Audio Source
Channel 1
or
Left Channel
Channel 2
or
Right Channel
Application Example #4
This example shows a two-channel
(stereo) setup utilizing two sub-
woofers and multiple top-boxes.
This is the same as Application
Example #3 except an additional
top-box has been added to each
channel (and more could be added).
To connect to additional top-boxes,
connect a cable from the last top
box’s FULL RANGE LINE OUT con-
nector to the next top-box’s FULL
RANGE LINE IN connector. Up to 20
top-boxes could be “daisy-chained”
without degrading signal quality.
HPR151W or HPR181W
HPR151W or HPR181W

Related product manuals