EasyManua.ls Logo

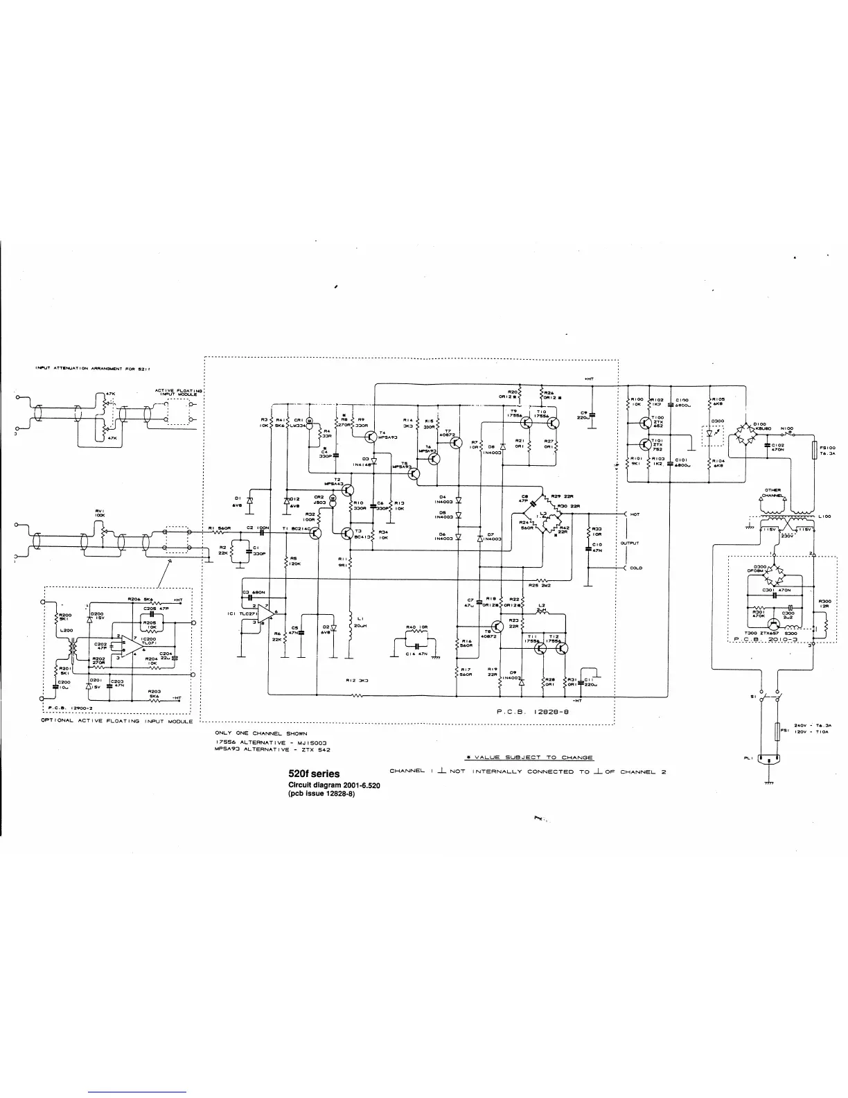
QUAD 520f - Circuit Diagram

QUAD 520f
14 pages
Print Icon
To Next Page IconTo Next Page
To Next Page IconTo Next Page
To Previous Page IconTo Previous Page
To Previous Page IconTo Previous Page
Loading...

Related product manuals