EasyManua.ls Logo

Quantum QG-3200

Quantum QG-3200
493 pages
To Next Page IconTo Next Page
To Next Page IconTo Next Page
To Previous Page IconTo Previous Page
To Previous Page IconTo Previous Page
Loading...
Chapter 6 Diagrams
HF Series X-ray Generator - Service Manual Revision W
Quantum Medical Imaging, LLC 6-38
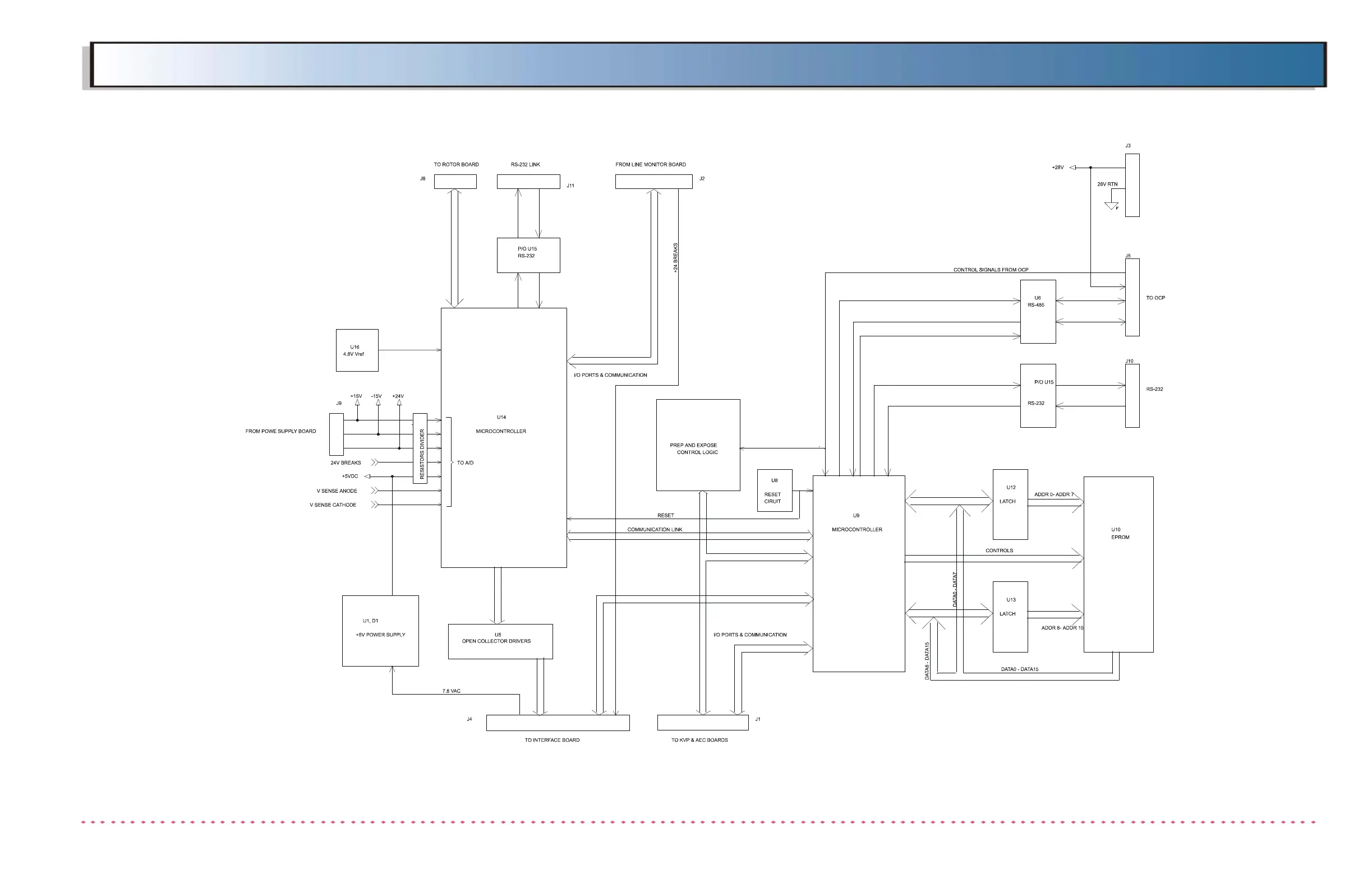
Figure 6-31. Generator Logic Circuit Block Diagram

Table of Contents

Related product manuals