EasyManua.ls Logo

Quantum QG-3200 - Diagram

Quantum QG-3200
493 pages
Print Icon
To Next Page IconTo Next Page
To Next Page IconTo Next Page
To Previous Page IconTo Previous Page
To Previous Page IconTo Previous Page
Loading...
Chapter 6 Diagrams
HF Series X-ray Generator - Service Manual Revision W
Quantum Medical Imaging, LLC 6-40
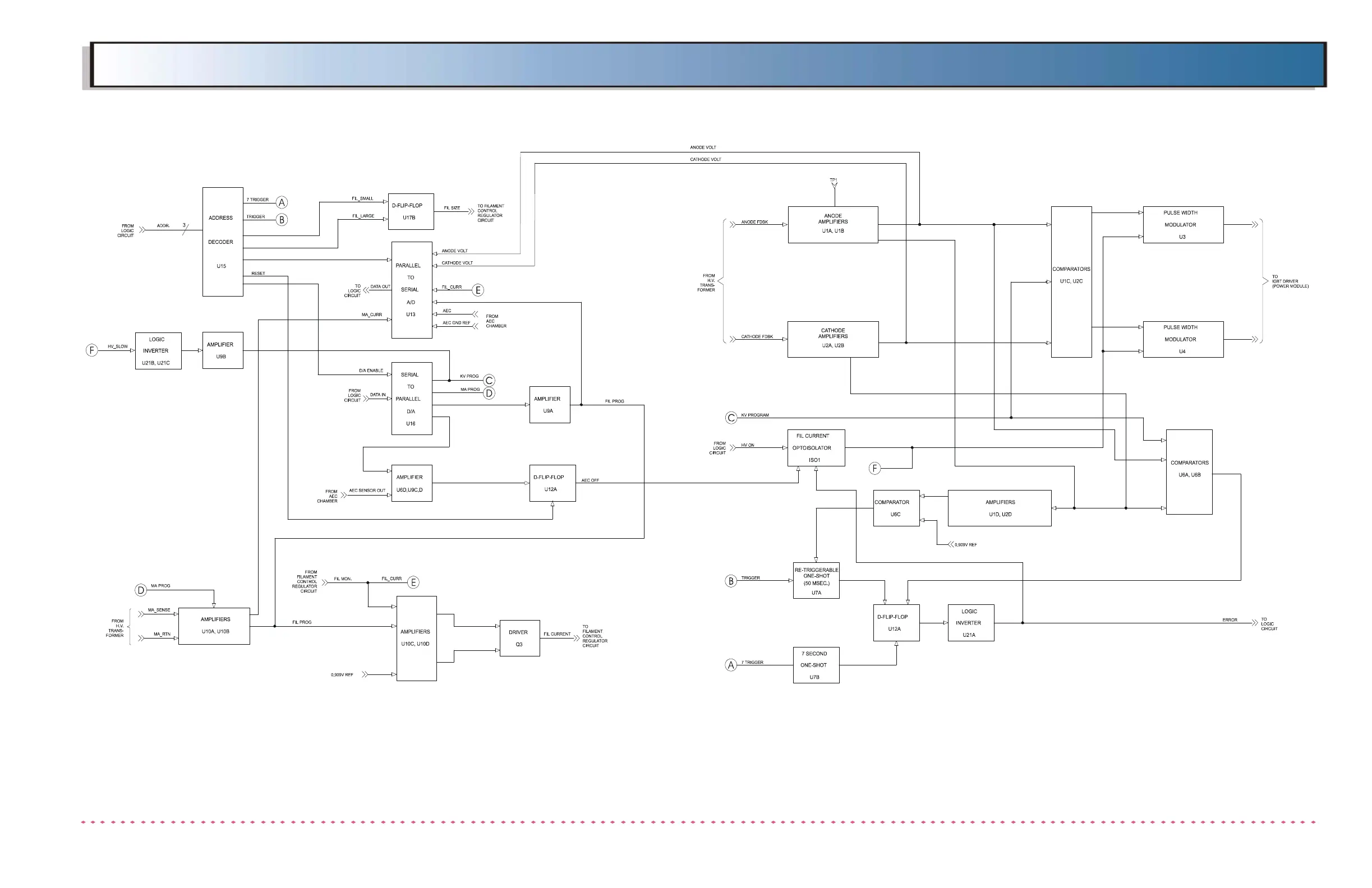
Figure 6-33. KVP & Filament Control Circuit Block
Diagram

Table of Contents

Related product manuals