EasyManua.ls Logo

Quest Engineering 215 Dual - Electric Schematics

Quest Engineering 215 Dual
20 pages
Print Icon
To Next Page IconTo Next Page
To Next Page IconTo Next Page
To Previous Page IconTo Previous Page
To Previous Page IconTo Previous Page
Loading...
1-877-420-1330
Quest 215 Dual Installation, Operation and Maintenance Instructions
17
www.QuestHydro.com
info@QuestHydro.com
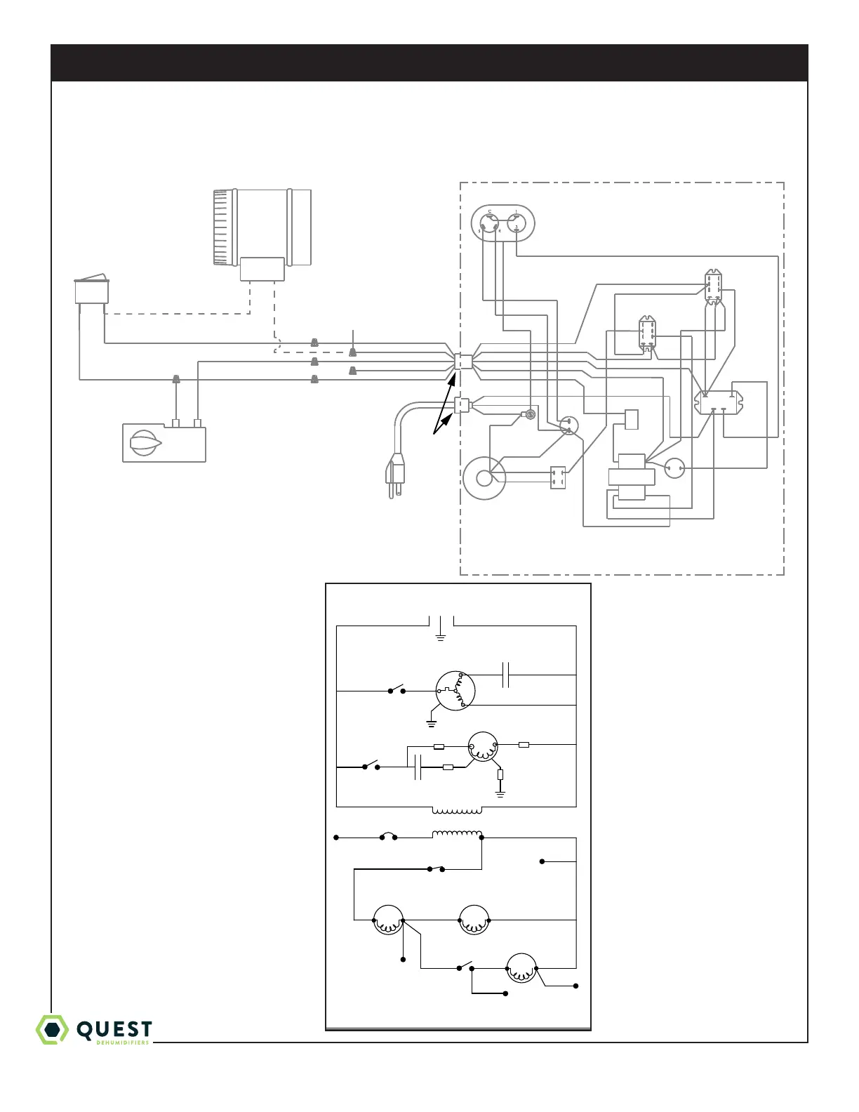
Electric Schematics of the Quest 215 Dual
COMPRESSOR
BLK-20
GRN-2
WHT-13
BLU-23
RED-14
YEL-11
GRN-2
WHT-13
BLU-23
RED-14
YEL-11
RED-5
YEL-6
GRN-10
BLK (CORD)
WHT (CORD)
GRN (CORD)
GRN-4
BLU-2
BLK-1
BRN-3
BLOWER
BLOWER
CAP
BLK-7
TRANSFORMER
24V115V
COM COM
CB
YEL-11
YEL-9
RED-14
RED-15
YEL-6
RED-5
BLK-7
GRN-17
RED-16
BLK-21
BLOWER
RELAY
GRN-2
GRN-17
RELAY
BLU-19
RED-15
RED-16
COMPRESSOR
RELAY
BLU-18
BLK-20
BLK-8
BLK-21
WHT-22
WHT-22
DFS
STRAIN
RELIEF
BUSHINGS
MOLDED 115V
PLUG W/GROUND
HUMIDITY
CONTROL
SWITCH
OPTIONAL
DAMPER
BLOWER
SWITCH
N.O.
MAKE SURE WIRE IS
CAPPED IF DAMPER
IS NOT USED
1
5
9
13 14
12
8
4
1
5
9
13 14
12
8
4
10
4 6
BLK
(CORD)
BLK (CORD)
BLK (CORD)
LINE NEUTRAL
WHT (CORD)
WHT-22, WHT (CORD)
BLK-20
BLK-21
BLK-8,21
BLK-8
YEL-11 YEL-9 RED-14, 15
RED-15, 16
COM
WHT-22
24V
BLU-2
BLU-19
BLU-18
BLU-23
GRN-17
GRN-12
BLU
YEL-6
COMP.
RELAY
BLOWER
RELAY
3A
BREAKER
COMP.
RELAY RELAY
RELAY
COIL
BLOWER
RELAY
COIL
COIL
COMP.
BLOWER
DEFROST
SWITCH
XFMR
120V
RED-5
RED-5, BLU-2
RED-14
RED-16
WHT-13
GRN
GRN-10
GRN-4
4036682
BLK-1
BRN-3 BRN
BLK-7
BLK
215

Related product manuals