EasyManua.ls Logo

Quest Engineering PR Series - Block Diagram

Quest Engineering PR Series
20 pages
Print Icon
To Next Page IconTo Next Page
To Next Page IconTo Next Page
To Previous Page IconTo Previous Page
To Previous Page IconTo Previous Page
Loading...
16
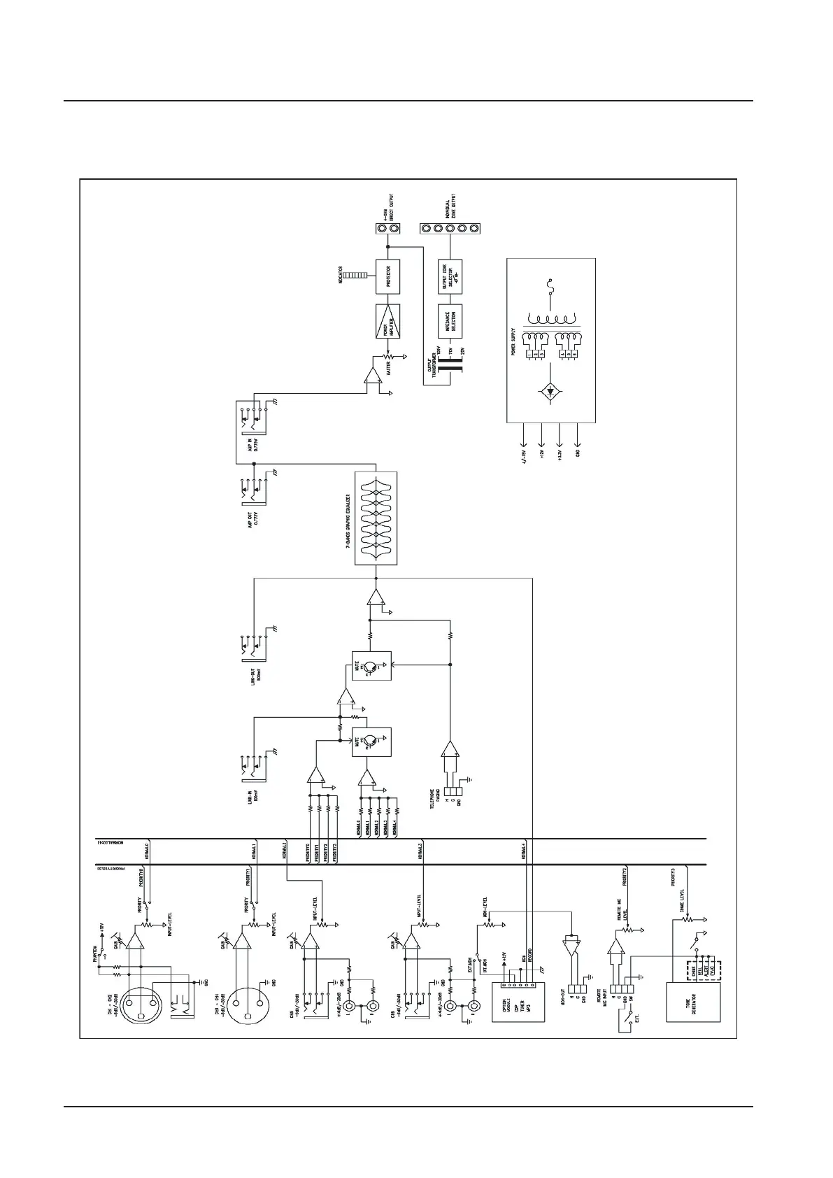
PR-120 / PR-240
Block diagrams
Block diagrams
PR-120/240 BLOCK DIAGRAM

Related product manuals