EasyManua.ls Logo

Quick THRUSTER COMMAND TCD 1042 E - Page 55

Quick THRUSTER COMMAND TCD 1042 E
56 pages
Go to English
Print Icon
To Next Page IconTo Next Page
To Next Page IconTo Next Page
To Previous Page IconTo Previous Page
To Previous Page IconTo Previous Page
Loading...
55
TCD1022 E / 1042 E - REV005A
*
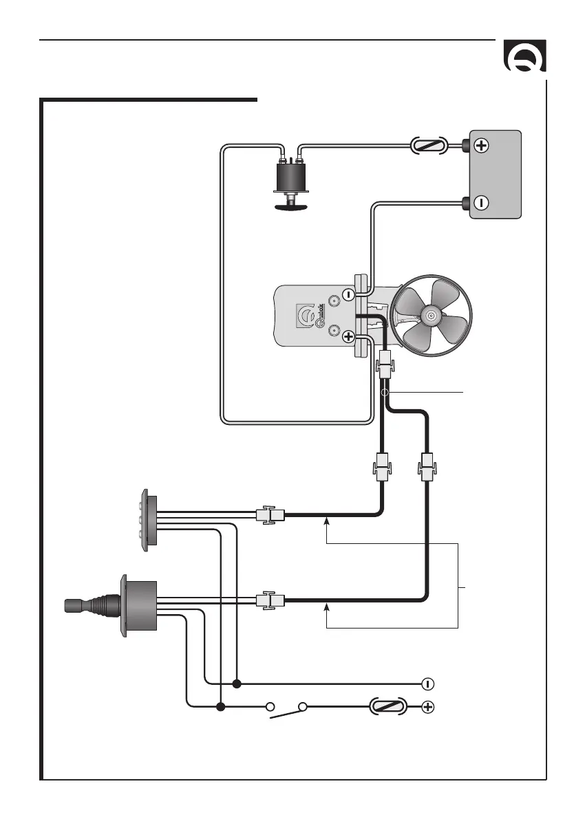
Common negative for the battery groups.
ELECTRICAL CONNECTIONS DIAGRAM
FUSE
TCD 1042
BATTERY ISOLATOR
BATTERY
12/24 V
TCD 1022
RED
RED
BLACK
BLACK
SPLITTER
(OPTIONAL)
CONTROL CABLE
EXTENSIONS
(OPTIONALS)
TO THE SERVICES
BATTERY
SWITCH
FUSE
MOTOR
*
*

Related product manuals