EasyManua.ls Logo

QuickJack BL-3500SLX - Wiring Diagrams

Default Icon
72 pages
Print Icon
To Next Page IconTo Next Page
To Next Page IconTo Next Page
To Previous Page IconTo Previous Page
To Previous Page IconTo Previous Page
Loading...
QuickJack™ Portable Car Jack 52 P/N 5900959Rev. L1 December 2020
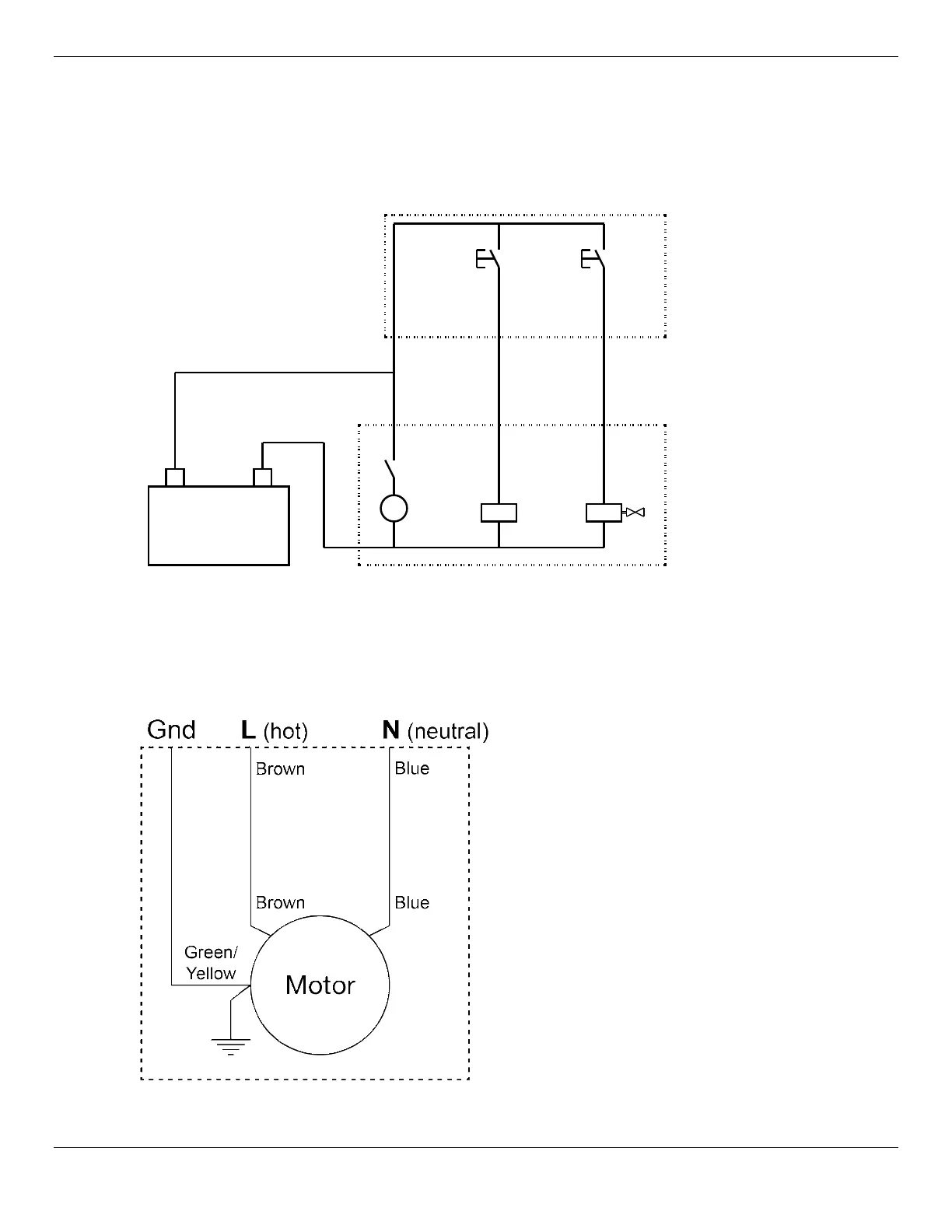
Wiring Diagrams
12 VDC Wiring Diagram
208-230 VAC Wiring Diagram
Make sure to follow the 208-230 VAC electrical rules for the country in which you are using the unit.
Battery
Red
White
Black
+
M
Start
Switch
Up
Down
SB2
SB1
Remote
Control
Power
Unit
123
Ground
Motor
Start Switch
Coil
Solenoid
Valve Coil

Related product manuals