EasyManua.ls Logo

Radijator FK1 - Page 46

Radijator FK1
Print Icon
To Next Page IconTo Next Page
To Next Page IconTo Next Page
To Previous Page IconTo Previous Page
To Previous Page IconTo Previous Page
Loading...
Radijator Inženjering d.o.o, 36000 Kraljevo, Živojina Lazića - Solunca br.6, Srbija
tel. +381 36 399 140, fax. +381 36 399 150, http://www.radijator.rs
e-mail: radijator@radijator.rs
46
The manufacturer (Radijator inzenjering) does not take any
responsibility coming from the incorrect installation of the boiler.
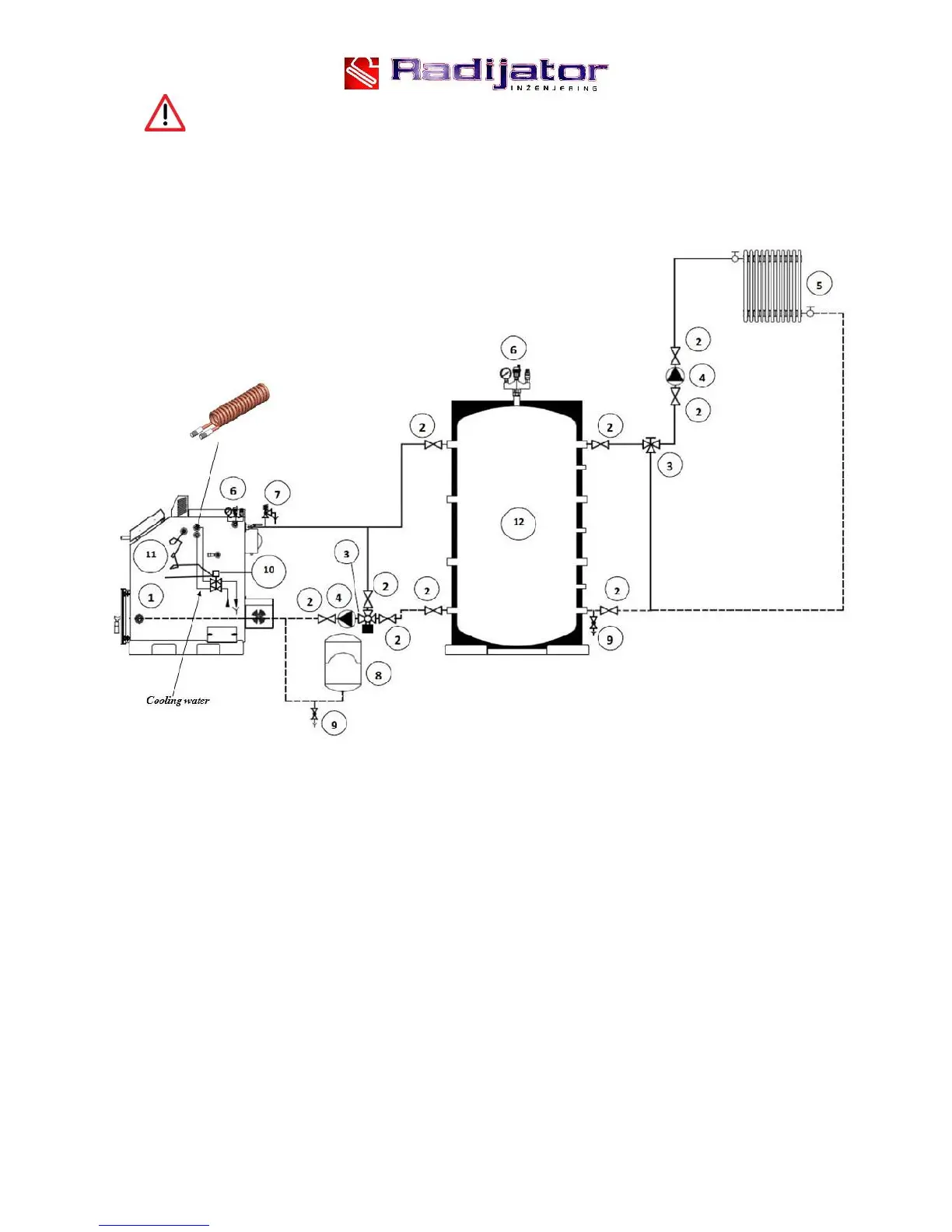
Hidraulic scheme with akumulator
Description:
1. FK boiler;
2. Valve;
3. Mixing valve;
4. Pump
5. Heat exchanger;
6. Safety group;
7. Safety valve;
8. Expansive vessel;
9. Valve for filling/emptying;
10. Over heating temperature safety valve;
11. Sonda probe for safety valve;
12. Akumulator.

Related product manuals