EasyManua.ls Logo

Radijator FK1 - 7 Hydraulic Scheme

Radijator FK1
Print Icon
To Next Page IconTo Next Page
To Next Page IconTo Next Page
To Previous Page IconTo Previous Page
To Previous Page IconTo Previous Page
Loading...
Radijator Inženjering d.o.o, 36000 Kraljevo, Živojina Lazića - Solunca br.6, Srbija
tel. +381 36 399 140, fax. +381 36 399 150, http://www.radijator.rs
e-mail: radijator@radijator.rs
45
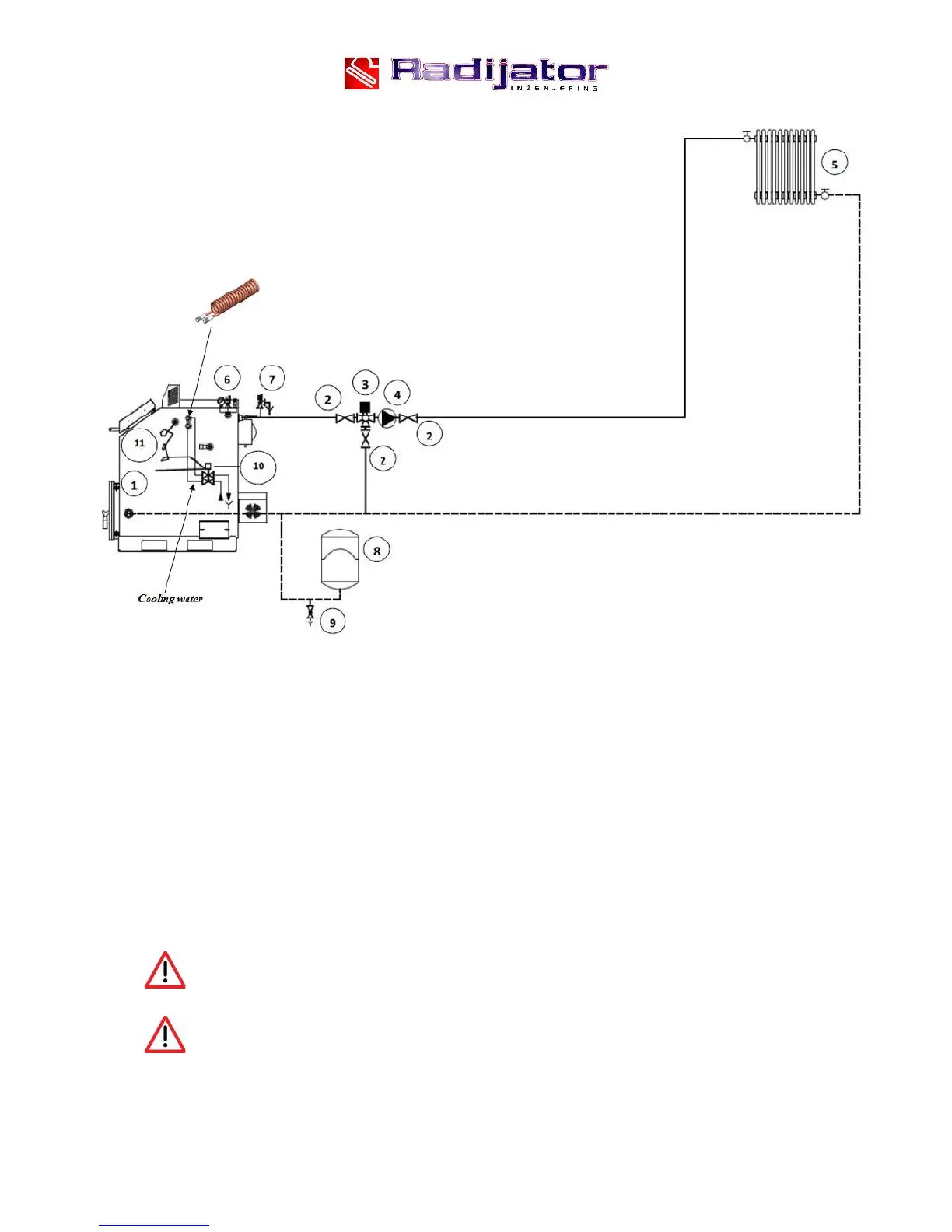
5. Hydraulic scheme
Hidraulic scheme
Description:
1. FK boiler;
2. Valve;
3. Mixing valve;
4. Pump
5. Heat exchanger;
6. Safety group;
7. Safety valve;
8. Expansive vessel;
9. Valve for filling/emptying;
10. Over heating temperature safety valve;
11. Sonda probe for safety valve.
In an assembly the boiler should be properly protected against the
excessive overpressure and overheating.
For the proper installation the plumber/installer is responsible.

Related product manuals