EasyManua.ls Logo

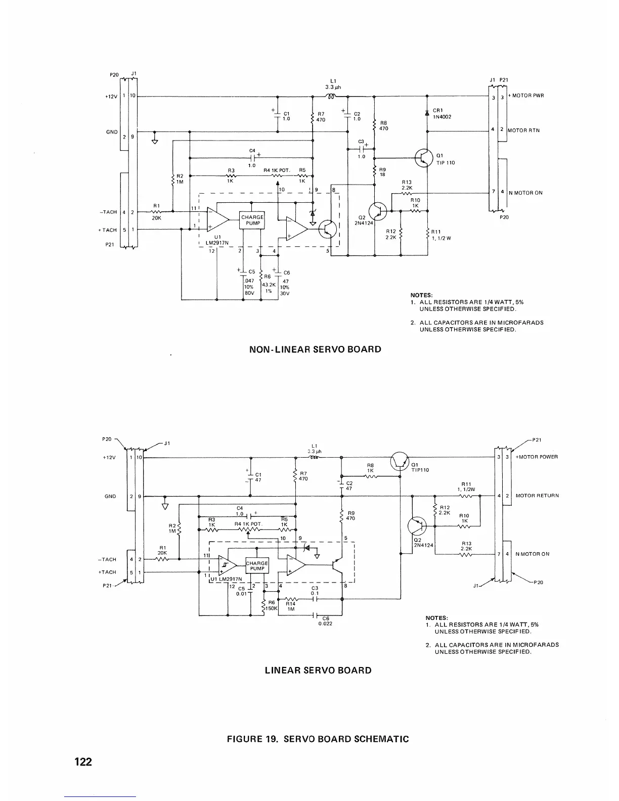
Radio Shack TRS-80 Model III - Non-Linear Servo Board; Linear Servo Board

Radio Shack TRS-80 Model III
134 pages
Print Icon
To Next Page IconTo Next Page
To Next Page IconTo Next Page
To Previous Page IconTo Previous Page
To Previous Page IconTo Previous Page
Loading...

Table of Contents

Other manuals for Radio Shack TRS-80 Model III

Related product manuals