EasyManua.ls Logo

Rainfresh R1245 - System Installation Steps; Fittings and Pre-filter Installation; UV Unit Mounting and Plumbing

Rainfresh R1245
6 pages
Print Icon
To Next Page IconTo Next Page
To Next Page IconTo Next Page
To Previous Page IconTo Previous Page
To Previous Page IconTo Previous Page
Loading...
* The Rainfresh UV Water Disinfection System is designed for installation on the cold water line only, at the point-of-entry
(POE)
* The system should be installed indoors in a protected area where the temperature does not fall below 4°C (40°F).
* It is strongly recommended to have a dedicated electrical circuit for the UV system. Where power fluctuations or surges are
anticipated, it is recommended that a surge protector be installed. We recommend a CSA or equivalent certified surge
protector rated for a clamping voltage of less than 400 Volts, response time of less than one nanosecond, and energy
absorption of at least 600 Joules.
* The R1245 UV system is designed for a maximum water
flow rates of 12 US GPM (45 liters per minute). If higher flow rates
exist, it is recommended that a 12 USGPM flow restrictor (Rainfresh
model FR12K) be installed before the system.
* For optimum performance, the system should be
wall-mounted in a vertical position with the lamp connector
at the top. The water inlet is at the bottom and the outlet at
the top, as shown in Fig. 1
* It is highly recommended to install bypass piping with a shut-off
valve around the unit. This way you can still have water in case you
need to remove the UV unit for service.
* Provide a minimum clearance of 3 feet above the unit for
lamp/dome replacement.
* Use only Teflon tape for all connections. Do not use any
other sealant.
* The UV Disinfection unit should be the last step of your
water treatment system. If your water comes from a well or a
lake/river etc, the UV should be installed after your pump,
pressure tank, softener/iron filter/water conditioner.
Otherwise the UV should be installed just after the water
meter and any water conditioner that you may have.
INST
ALLATION
Fittings Required for Installation
Fittings required for a typical install on 3/4” copper pipe are 3/4” FNPT
female adapters, 3/4” Tee, 3/4” Elbows, 3/4” copper pipe, 3/4” union
couplings and 3/4” ball valves. You may need
different fittings if your pipe size or material is different. If you are
unsure of what fittings to use, please call Envirogard/Rainfresh.
Note: UV light can degrade plastics. If your plumbing pipes are in
plastic, it is recommended that you use at least 6 to 12 inches of
UV-resistant material (e.g copper) on the inlet and outlet of the UV unit to prevent damage.
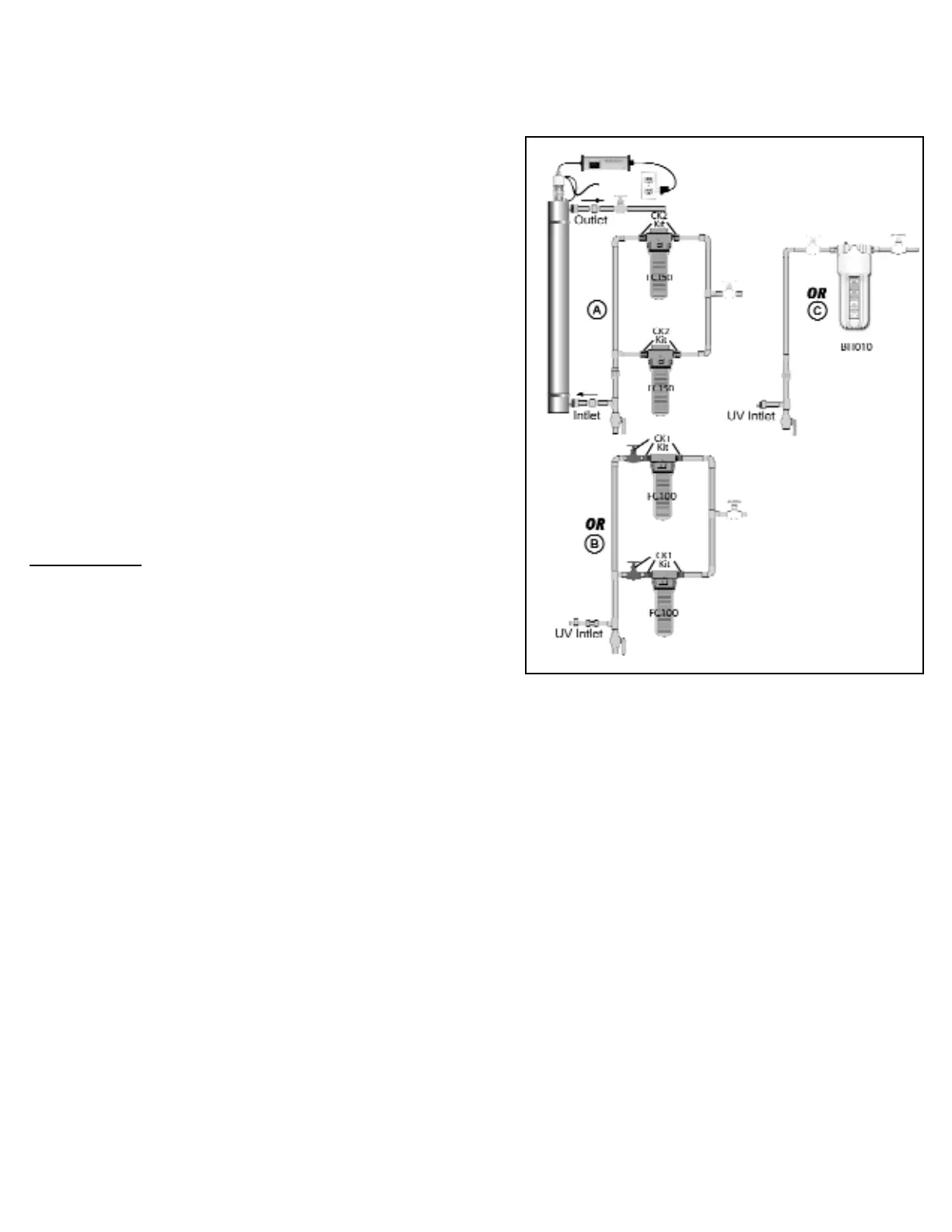
Installing the pre-filter
It is highly recommended that 5 micron prefiltration be installed before the UV system. Pre-filter(s) is/are NOT included with this
system, but are available from the same retailer. We recommend (2) Rainfresh model FC150 Deluxe Valve-in-Head Filters
installed using Rainfresh connector kit model CK2 (sold seperately) in parallel (see Fig. 2 A) or (2) Rainfresh model FC100’s
installed using Rainfresh solderless connector kit model CK1 (sold seperately) in parallet (see Fig. 2 B) or a Rainfresh model
BH010 High Flow Filter with a 5 micron (model BC1 or BP5) cartridge.
Refer to Fig. 2 for location of filters and follow installation instructions included with pre-filter.
Installing the UV unit.
1. Slide a mounting clamp (4033) under a mounting base (4034) and screw the base on to the wall with base screws (4035) as
shown in Fig. 1. Using a level, vertically align other mounting base at a distance of about 20-24 inches below the first base.
Mount the other base with the second mounting clamp (clamp screws should be in opposite directions).
2. Mount the UV disinfection chamber (4020) on the two bases and holding it with one hand, tighten the mounting clamps using
a flat-head screwdriver.
3. Mount the ballast (R1245B) on the wall slightly above the chamber (See Fig. 2) with ballast mounting screws (4044) .
4. Install new plumbing as per Fig 2. The inlet and outlet connections on the UV are 3/4” MNPT.
5. If you intend to drain the UV during winter to prevent freezing, install a 3/4” copper tee at the inlet of the UV and plumb in a
ball valve and a piece of copper pipe (See Fig 2)
6. Carefully unpack UV lamp (R1245L) and quartz dome (R1245QD). The gland nut "O" ring (515) is in the groove of the gland
nut (factory-installed).
Note: Hold lamp and dome by the ends with soft, dry gloves or cloth (see pictures on Page 3)
Fig. 2
2.

Related product manuals