EasyManua.ls Logo

Raisecom RC902-FE4E1-BL - Page 13

Raisecom RC902-FE4E1-BL
21 pages
Print Icon
To Next Page IconTo Next Page
To Next Page IconTo Next Page
To Previous Page IconTo Previous Page
To Previous Page IconTo Previous Page
Loading...
13
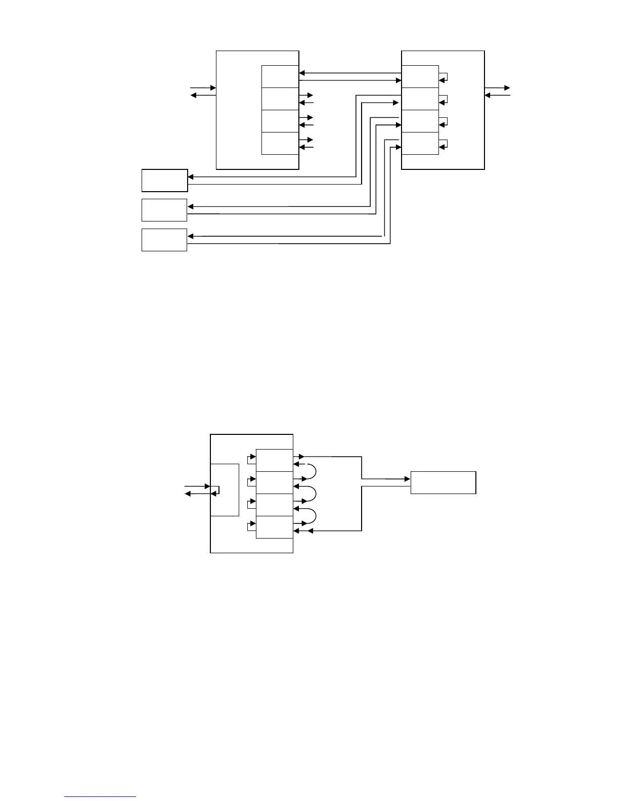
Local bidirectional loop back
When performing local loop back, RC902-FE4E1 will loop back all E1 and Ethernet signal. This function is
designed for testing the device interface circuit. Users can apply E1 BERT to test E1 interface, and apply
Sniffer software to test the Ethernet interface. Please note that when performing local bidirectional loop
back, Ethernet data will be looped back as well. As a result, it is possible to bring about broadcast storm on
Ethernet Switch. In order to prevent broadcast storm from happening, please disconnect the cable
connecting to Ethernet Switch before performing local bidirectional loop back.
Link protection and recovery based on link BER
If this switch is on and the E1 link BER exceeds 10
P
-6
P
threshold, the indicator corresponds to the E1 link will
become steady yellow and the service on the E1 link will be suspended, thus, Ethernet packets will not be
forwarded on to the E1 link. When the BER reduces to 10
P
-9
P
, the indicator will become steady green and the
service will recover. If BER of all E1 links exceed the threshold, links will not be disconnected to ensure
communication. Alarms will occur on these links.
If this switch is off, the function will be disabled. The enabling and disabling of the function will not affect
the display of link alarm.
E1 Link
E1 BERT
Sniffer
Sketch of local loop-back at local site
Link A
Link B
Link C
Link D
Et
h
Remote
RC901-
FX4E1
Local
RC902-
FX4E1
E1 Link
Etherne
t
BERT
BERT
BERT
Etherne
t
Sketch of remote loop-back at local site
Link A
Link B
Link C
Link D
Link A
Link B
Link C
Link D

Related product manuals