EasyManua.ls Logo

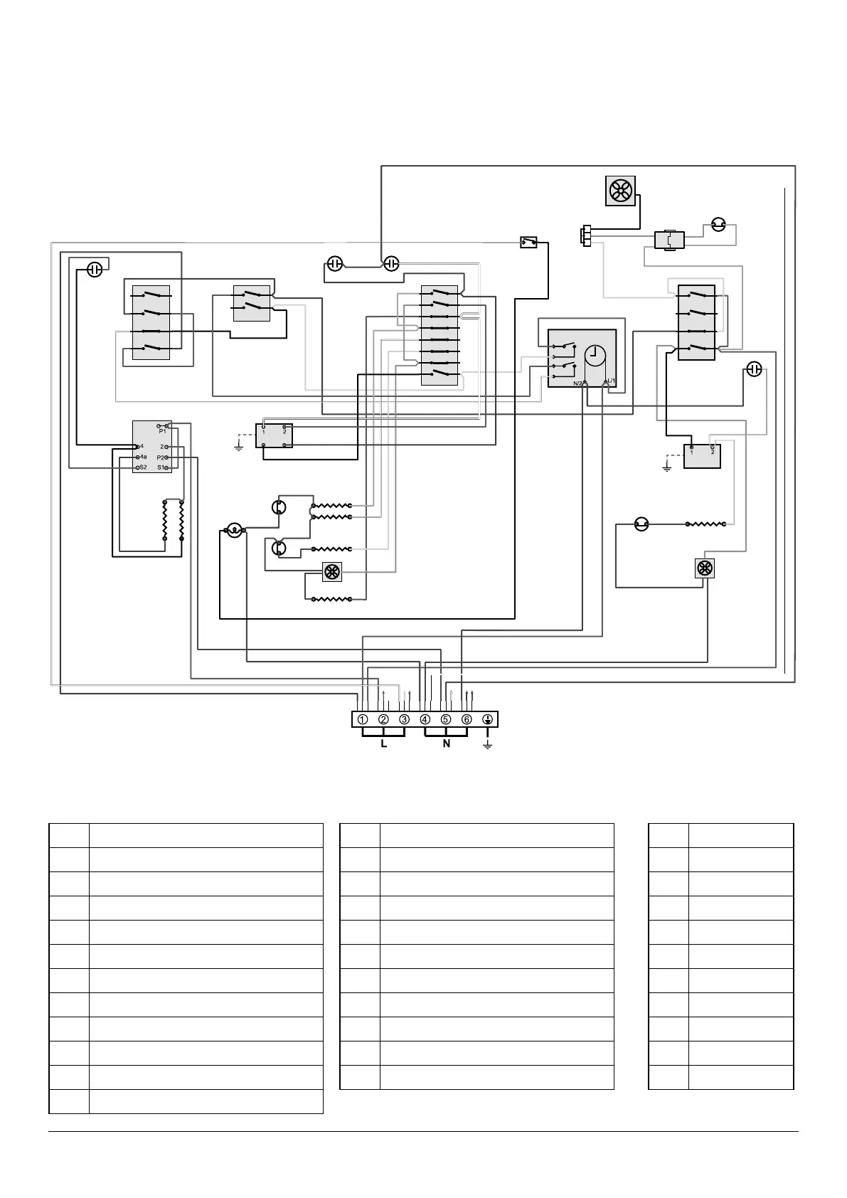
Rangemaster 90 Induction - Circuit Diagram: Multi-function Oven (Classic Deluxe)

Rangemaster 90 Induction
40 pages
Print Icon
To Next Page IconTo Next Page
To Next Page IconTo Next Page
To Previous Page IconTo Previous Page
To Previous Page IconTo Previous Page
Loading...
32
Key
The connections shown in the circuit diagram are for single-phase. The ratings are for 230 V 50 Hz.
ArtNo.080-0065 - 90 Induction - Classic DL oven circuit diagram
P033458
2
3
4
1
P3
P2
P1
P4
P095199
1
2
P2
P1
P028728
6
P6
5 P5
4
P4
7 P7
8 P8
2
P2
1 P1
3 P3
P033458
2
3
4
1
P3
P2
P1
P4
g/y
w
r
w
bk
v
r
br
bk
y
v
r
v
r
r
or
or
bk
y
v
w
b
g/y
bk
w
br
gr
br
or
br
bk
y
wb
gr
bk
w
y
y
y
y
br
br
b
bk
v
br
v
v
r
b b
y
gr
r
bk
b
v
v
br
br
bk
br
r
r
r
bk
b
bk
b
b
b
b
b
b
b
b
b
b
b
b
b
w
gr
y
r
or
or
w
w
w
bbb w
b
b
or
br
v bb w
b
b
w
b bvbryw
w
w
bk
v
br
br
w
o
bk
o
y
gr
bk
o
gr
E
A2
C
A1
B1
A3
B3
B4
B2
B5
B6
B7
D2
I
D1
D3
B8
D4
F1
F2
I
H
I
H
G
I
H
H
K
Multi-pin plug
Code Description
A1 Grill front switch
A2 Grill energy regulator
A3 Grill elements
B1 Left-hand oven front switch
B2 Left-hand oven thermostat
B3 Left-hand oven top element (outer)
B4 Left-hand oven top element (inner)
B5 Left-hand oven centre element
B6 Left-hand oven fan
B7 Left-hand oven base element
B8 Left-hand multi-function switch
Code Description
C Clock
D1 Right-hand oven front switch
D2 Right-hand oven thermostat
D3 Right-hand oven element
D4 Right-hand oven fan
F1 Cooling fan
F2 Light switch
G Oven light
H Thermal cut-out
I Neon
Circuit Diagram: Multi-function Oven (Classic Deluxe)
Code Colour
b Blue
br Brown
bk Black
or Orange
r Red
v Violet
w White
y Yellow
g/y Green/yellow
gr Grey

Related product manuals