EasyManua.ls Logo

Rangemaster Hi-LITE 110DF - 9 Circuit Diagram

Rangemaster Hi-LITE 110DF
36 pages
Print Icon
To Next Page IconTo Next Page
To Next Page IconTo Next Page
To Previous Page IconTo Previous Page
To Previous Page IconTo Previous Page
Loading...
28
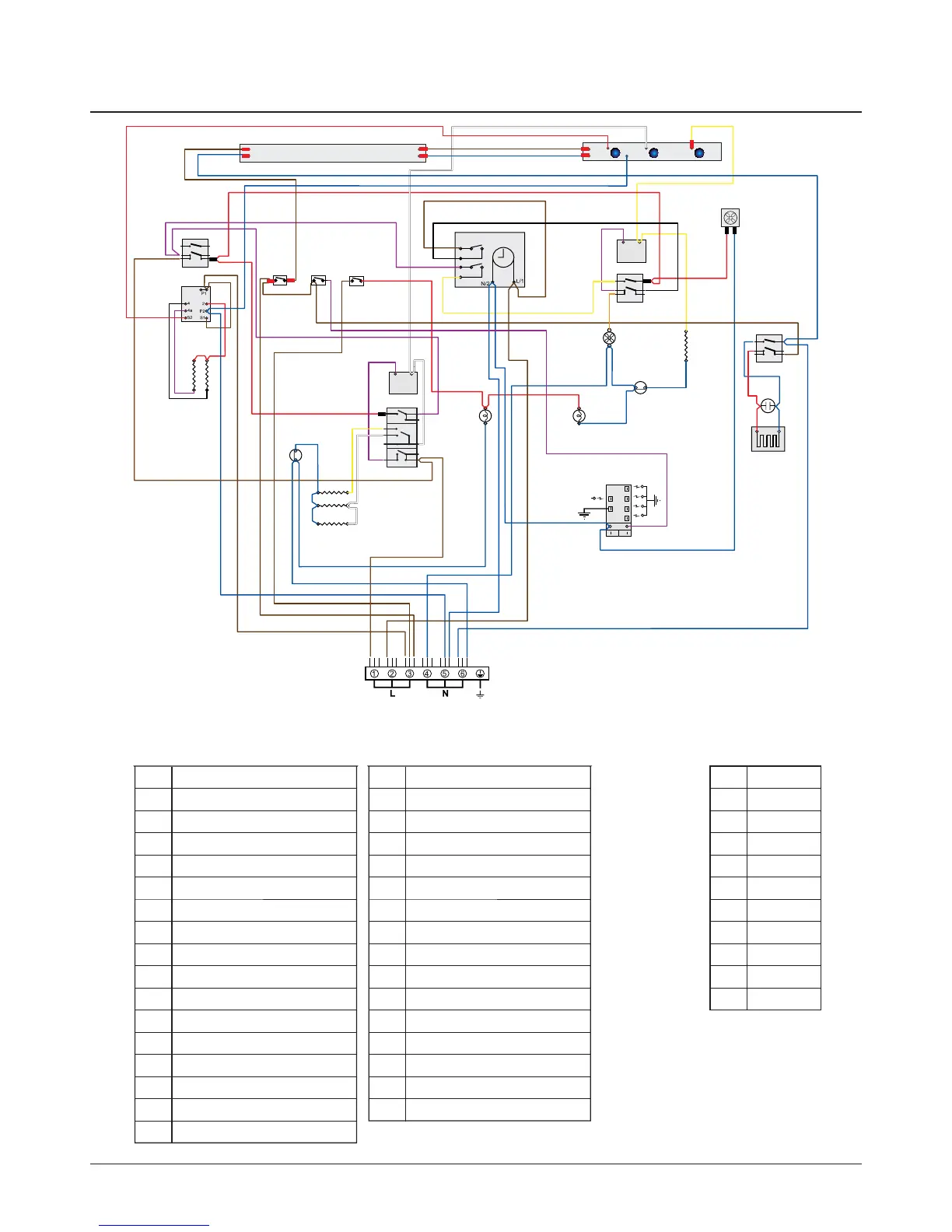
9. Circuit Diagram
P095199
1
2
P2
P1
E
1
2
1
2
a
b
e
f
c
d
1 2
P095199
1
2
P2
P1
b
b
b
b
b
b
b
b
b
b
b
b
b
b
b
br
br
br
br
bk
bk
y
y
y
y
or
v
r
w
w
w
v
v
r
r
r
br
r
r
r
b
br
r
br
b
or
v
v
v
br
r
r
y
y
y
w
w
w
b
b
br
br
v
v
bk
bk
v
r
r
r
b
br
br
br
v
br
b
r
v v
v
v
v
b
b
b
br
A
A1
K
L
B1
H
N1
N2
C
D2
D3
F1
F2
J
G1 G2
D4
B3
B4
B5
P057904
1
2
P2
P1
D1
P1
P2
P3
1
2
4
3
5
P038482
B
M1 M2
M3
A2
A3 A4
I
B2
N3
Key Description
A Illumination Board - Left-hand side
A1 Grill Front Switch
A2 Grill Energy Regulator
A3 Left-hand Grill Elements
A4 Right-hand Grill Elements
B Illumination board - Right-hand side
B1 Left-hand Oven Thermostat
B2 Left-hand Front Switch
B3 Left-hand Oven Top Inner Element
B4 Left-hand Oven Top Outer Element
B5 Left-hand Oven Bottom Element
F1 Left-hand Oven Thermal Preset
C Clock
D1 Right-hand Oven Thermostat
D2 Right-haad Oven Front Switch
D3 Right-hand Oven Element
Key Description
D4 Right-hand Oven Fan
F2 Right-hand Oven Thermal Preset
G1 Left-hand Oven Light
G2 Right-hand Oven Light
H Cooling Fan
I Illumination Switch
J Ignition Switch
K Oven Light Switch
L Spark Generator
M1 Grill Heat Indicator
M2 Left-hand Oven Heat Indicator
M3 Right-hand Oven Heat Indicator
N1 Warmer Zone Front Switch
N2 Warmer Zone Indicator neaon
N3 Warmer Zone Element
Code Colour
b Blue
br Brown
bk Black
or Orange
r Red
v Violet
w White
y Yellow
g/y Green/Yellow
gr Grey
Key
The connections shown in the circuit diagram are for single-phase. The ratings are for 230 V 50 Hz.

Related product manuals