EasyManua.ls Logo

Rangemaster Professional+ 90 Induction - Positioning the Cooker; Moving the Cooker

Rangemaster Professional+ 90 Induction
48 pages
Print Icon
To Next Page IconTo Next Page
To Next Page IconTo Next Page
To Previous Page IconTo Previous Page
To Previous Page IconTo Previous Page
Loading...
34
Fan Oven
Hi-LITE
E
P095199
1
2
P2
P1
v
P095199
1
2
P2
P1
P095199
1
2
P2
P1
1
2
4
5
g/y
w
bk
r
b
b
b
g/y
bk
br
or
br
w
b
r
br
b
y
r
y
r
bk
b
br
br
bk
br
r
b
b
gr
b
w
b
b
b
br
b
b
b
b
b
b
br
r
b
v
r
r
y
v
br
r
br
y
y
r
v
or
v
v
v
v
br
v
r
r
br
br
br
r
r
v
br
gr
v
A1
C
B
A
B1
B2
B4
D2
G
D1
D3
D4
F1
F2
H
A3
A2
A4
B3
J
K
M1
M2
M3
Key
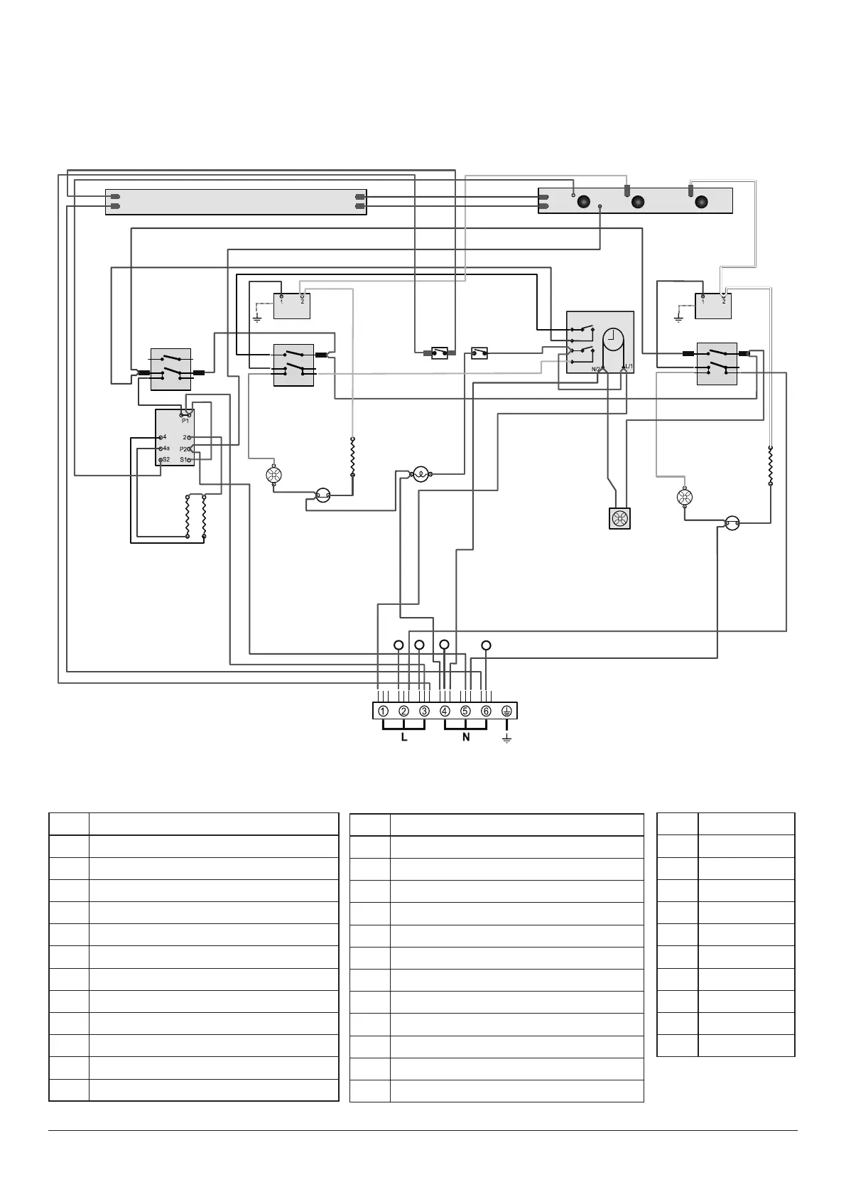
The connections shown in the circuit diagram are for single-phase. The ratings are for 230 V 50 Hz.
Code Colour
b Blue
br Brown
bk Black
or Orange
r Red
v Violet
w White
y Yellow
g/y Green/yellow
gr Grey
Code Description
A Illumination board - left-hand side
A1 Grill front switch
A2 Grill energy regulator
A3 Left-hand grill element
A4 Right-hand grill element
B Illumination board - right-hand side
B1 Left-hand oven thermostat
B2 Left-hand front switch
B3 Left-hand oven element
B4 Left-hand oven fan
F1 Left-hand oven thermal preset
C Clock
Code Description
D1 Right-hand oven thermostat
D2 Right-hand oven front switch
D3 Right-hand oven element
D4 Right-hand oven fan
F2 Right-hand oven thermal preset
G Oven light
H Cooling fan
J Illumination switch
K Oven light switch
M1 Grill heat indicator
M2 Left-hand oven heat indicator
M3 Right-hand oven heat indicator

Related product manuals