EasyManua.ls Logo

Rangemaster RDW1260FI - 6 Circuit Diagram

Rangemaster RDW1260FI
28 pages
Print Icon
To Next Page IconTo Next Page
To Next Page IconTo Next Page
To Previous Page IconTo Previous Page
To Previous Page IconTo Previous Page
Loading...
21
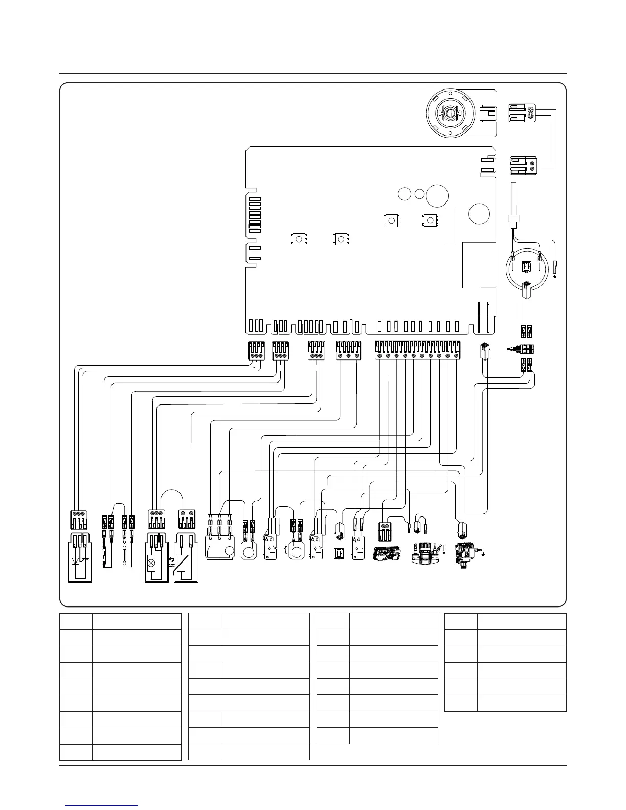
6. Circuit Diagram
12
wh
re
12
1 234567812
1 2 3 4 5 6 7 8 9 10 1 2 3
12 34 5
12 312 3
CN1.1
CN1.2
wh
br
blu
or
vi
gr
pi
bl
re
yl
wh
wh
re
bl
blu
re
re
re
gr
bl
bl
2 31 2 31 2 31
KN1
blu
bl
blu
21
br
br
POWER CORDS
3 x 1mm
GND
KN37
1
2
DV
KN22
IV
KN32
FS
KN23
DP
KN33
PS
KN24
RV
KN25
DS
KN34
DE
KN26
HE
KN35
SF
KN27
CP
KN28
D3
D2
D1
M
IV
PUMP
KN19
TS
RI SI
KN19
KN29
KN30
FM
KN20
NTC
KN21
F1
F3
F2
D1
D3
D2
P1
P3
P2
21
ON / OFF
BUTTON
2 POLE
Code Description
TS Turbidity sensor
RI Rinseaid indicator
SI Salt indicator
FM Flow meter
NTC NTC sensor
DV Diverter
IV Inlet valve
FS Float sensor
Code Description
DP Drain pump
PS Pressure switch
RV Regeneration valve
DS Door switch
DE AC dispanser
HE Heating element
SF Heating safety
CP Circulation pump
Code Colour
or Orange
wh White
blu blu
re Red
br Brown
pi Pink
vi Violet
Code Colour
bl Black
gr Green
yl Yellow
yl / gr Yellow / Green
gry Grey
• DocNo.800-0705 - Circuit diagram - RDW459SF dishwasher

Related product manuals