EasyManua.ls Logo

RATHI DISC-O-FLEX RLM - Marking Details

Default Icon
16 pages
Print Icon
To Next Page IconTo Next Page
To Next Page IconTo Next Page
To Previous Page IconTo Previous Page
To Previous Page IconTo Previous Page
Loading...
Installation & Operating Manual /DISC-O-FLEX/RLM,RLMK
RATHI TRANSPOWER PVT.LTD. Gaia Apex,S No 33/2D,Viman Nagar R-II-D-03/02-09/20
Pune, 411014 Page 13 of 15
GO TO INDEX
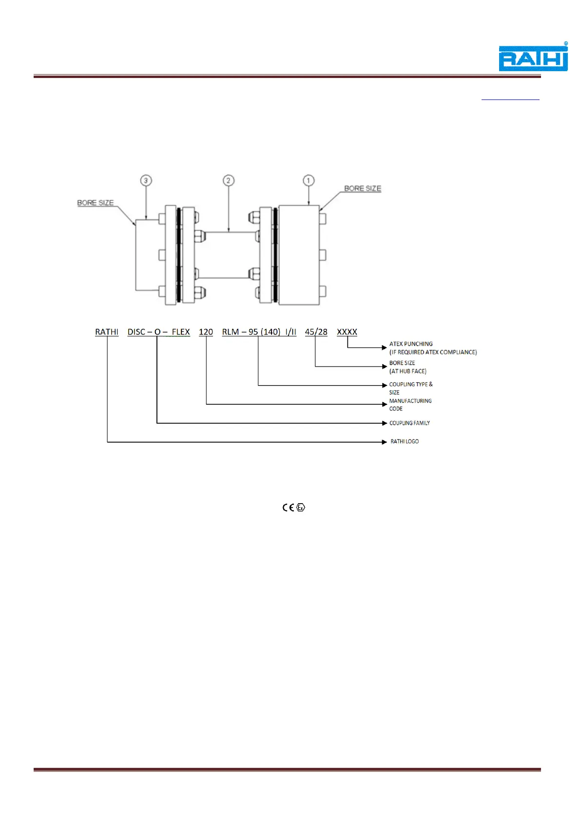
9. Marking Details
The ATEX marking for REM coupling will be given on outer surface or front side (Fig. 8).
Element blade assembly will not be marked.
Example :
Fig.8. Marking example
ATEX Punching sample
1. RATHI DISC-O-FLEX 120 RLM-95 II 45 II 2GD -30°C +135ºC
2. RATHI LM-95/140 120
3. RATHI LM-95 I 28 120
Where,
1. Manufacturing code e.g. 120 for December 2020
2. Product code e.g. LM-95/140
3. Finish bore size code e.g. 45