EasyManua.ls Logo

RATHI DISC-O-FLEX RLM - Shaft Alignment

Default Icon
16 pages
Print Icon
To Next Page IconTo Next Page
To Next Page IconTo Next Page
To Previous Page IconTo Previous Page
To Previous Page IconTo Previous Page
Loading...
Installation & Operating Manual /DISC-O-FLEX/RLM,RLMK
RATHI TRANSPOWER PVT.LTD. Gaia Apex,S No 33/2D,Viman Nagar R-II-D-03/02-09/20
Pune, 411014 Page 5 of 15
GO TO INDEX
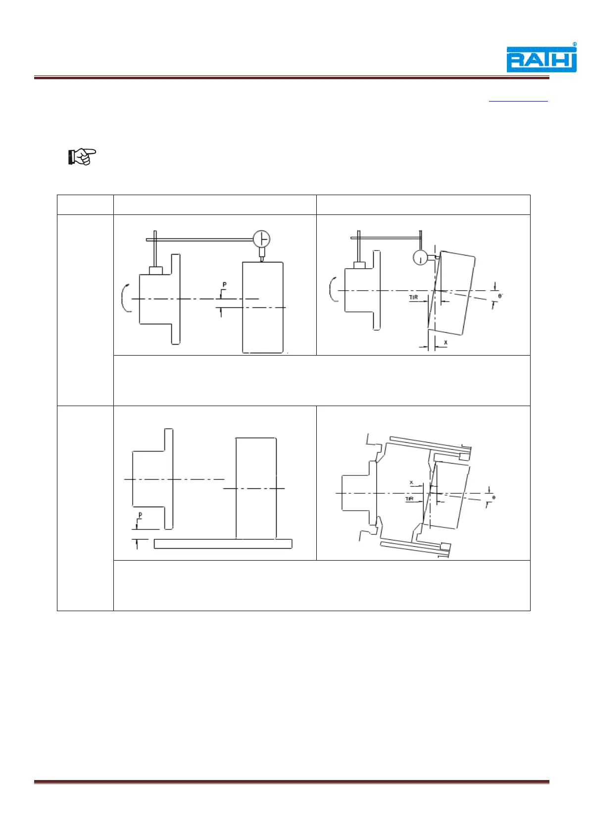
3.3 Shaft Alignment
In order to achieve optimum service life of the coupling, shafts must be aligned.
Initial misalignment should not be more than 25 % of maximum misalignment
(Refer Table 3).
Table 2 : Method of misalignment
Method
Parallel/Radial
Angular
1
Using dial gauge
Using dial gauge
2
Using straight edge
Using verinier calliper