EasyManua.ls Logo

Rato 173cc - Abnormal Noise Exist When Engine Running; Electric Diagram

Default Icon
76 pages
Print Icon
To Next Page IconTo Next Page
To Next Page IconTo Next Page
To Previous Page IconTo Previous Page
To Previous Page IconTo Previous Page
Loading...
·

·








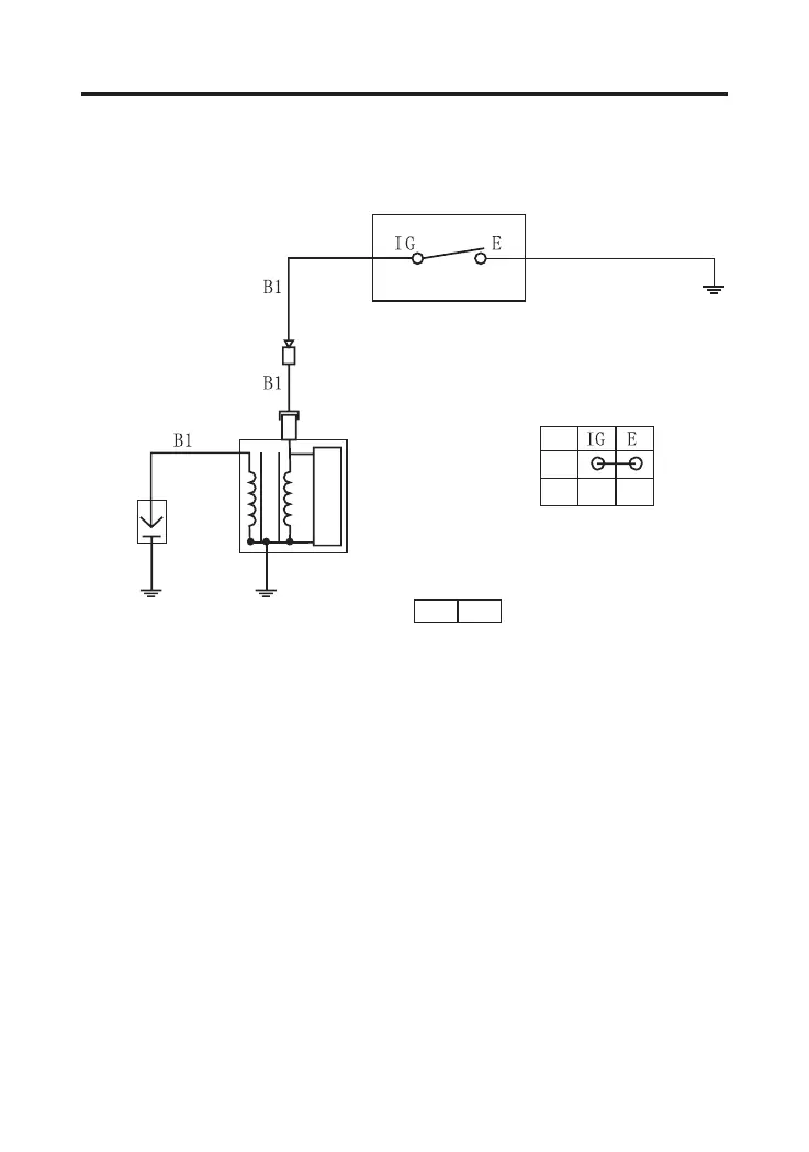
XI. ELECTRIC DIAGRAM


Related product manuals