EasyManua.ls Logo

Rato 173cc - Schéma Électrique

Default Icon
76 pages
Print Icon
To Next Page IconTo Next Page
To Next Page IconTo Next Page
To Previous Page IconTo Previous Page
To Previous Page IconTo Previous Page
Loading...
·
27
·
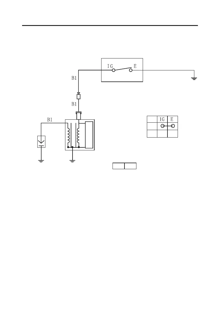
B1
Noir
INTERRUPTEUR MOTEUR
INTERRUPTEUR
MOTEUR
BOUGIE
BOBINE
D’ALLUMAGE
ARRÊT
MARCHE
XI. SCHÉMA ÉLECTRIQUE
SCHÉMA ÉLECTRIQUE

Related product manuals