EasyManua.ls Logo

Rayco Super Jr RG37 - Hydraulic Schematic - RG27 (802591-D)

Rayco Super Jr RG37
66 pages
Print Icon
To Next Page IconTo Next Page
To Next Page IconTo Next Page
To Previous Page IconTo Previous Page
To Previous Page IconTo Previous Page
Loading...
RG27/35/37 Operation • Service • Maintenance
52
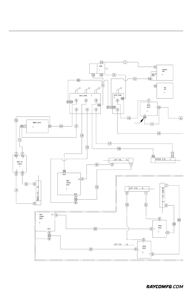
Hydraulic Schematic - RG27 (802591-D)
OVER CENTER VALVE (K) + FITTINGS, LIFT CYLINDER (N) + FITTINGS,
AND HOSES 8 AND 10 ARE FROM HOSE KIT 802591
RF
T
T
P P
RG27 BLADE OPTION:
802597 - HYD. KIT
STANDARD ON RG35
A
1 738004
3 BANK VALVE
B
1 12579
HYDRAULIC TANK
C
1 12575
FUEL TANK
D
1 761906
HYDRAULIC FILTER ASM.
E
1 760115
PUMP - HYDRAULIC
F
1 738008
VALVE - SWING CONTROL
G
1 801152
DUAL COUNTER-BALANCE W/PILOT PORT
H
1 802526
MOTOR DRIVE/BRAKE PARKER
J
1 738011
VALVE-LOCK SWING
K
1 1200015
OVER CENTER VALVE
L
1 801738
CYLINDER-STEER
M
1 29193
CYLINDER-SWING
N
1 802488
CYLINDER-LIFT
P
1 801256
VALVE-SPOOL
Q
1 802228
VALVE-1 SPOOL MOTOR
ITEM
QTY.
PART #
DESCRIPTION

Table of Contents

Related product manuals