EasyManua.ls Logo

Raypak B0507 - Page 29

Raypak B0507
57 pages
Print Icon
To Next Page IconTo Next Page
To Next Page IconTo Next Page
To Previous Page IconTo Previous Page
To Previous Page IconTo Previous Page
Loading...
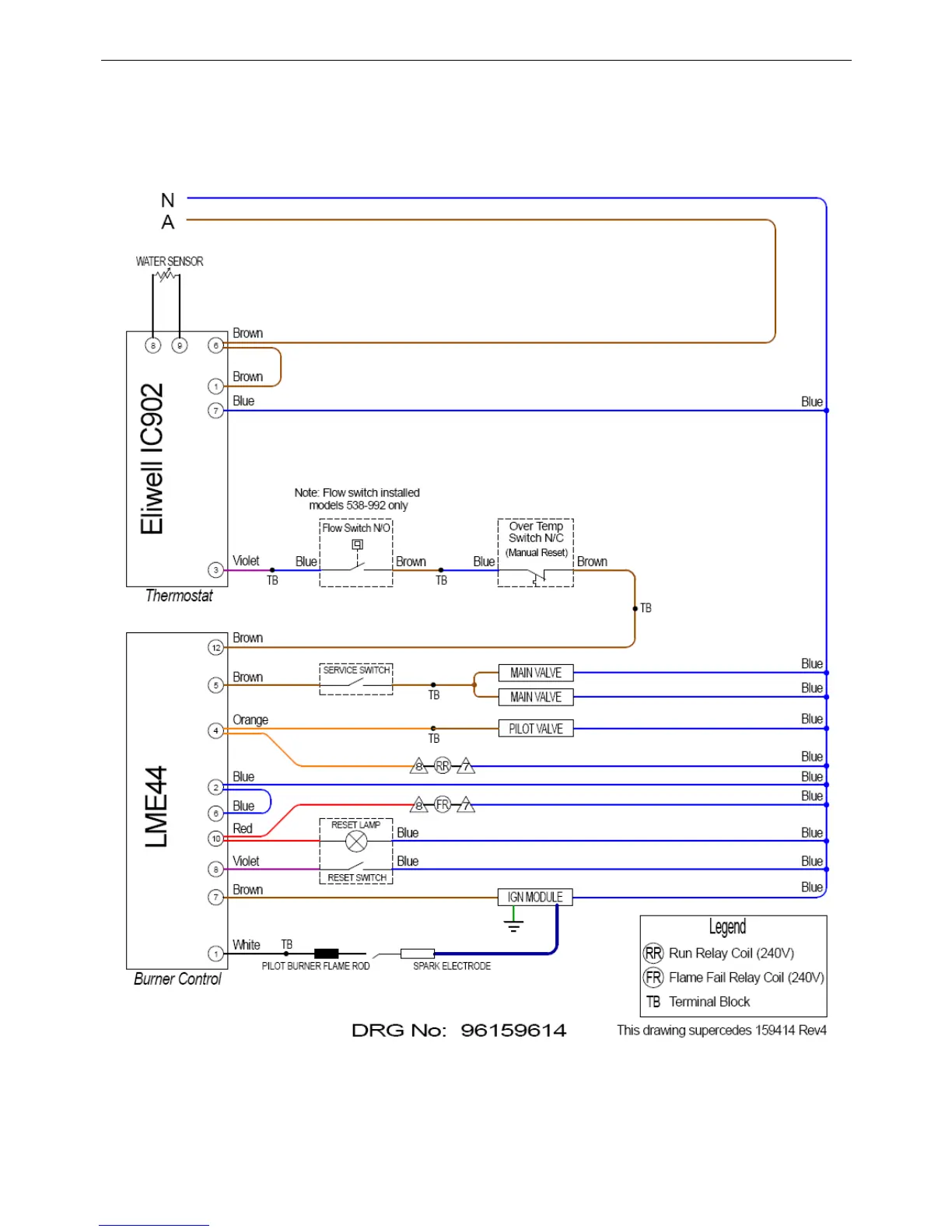
CONNECTIONS ELECTRICAL
29
ON/OFF MODELS < 1000MJ LPG

Related product manuals