EasyManua.ls Logo

Raypak B0507 - Page 33

Raypak B0507
57 pages
Print Icon
To Next Page IconTo Next Page
To Next Page IconTo Next Page
To Previous Page IconTo Previous Page
To Previous Page IconTo Previous Page
Loading...
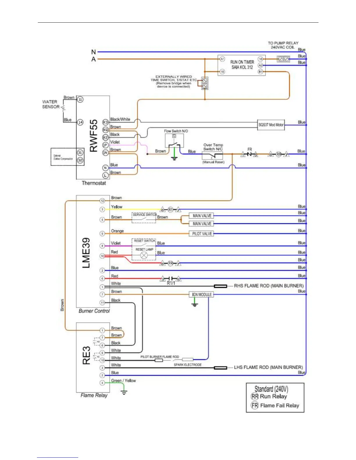
CONNECTIONS ELECTRICAL
33
MODULATING MODELS > 1000MJ
DRAWING No: 96159613B

Related product manuals