EasyManua.ls Logo

Raypak VERSA 055B - Page 17

Raypak VERSA 055B
32 pages
Print Icon
To Next Page IconTo Next Page
To Next Page IconTo Next Page
To Previous Page IconTo Previous Page
To Previous Page IconTo Previous Page
Loading...
16
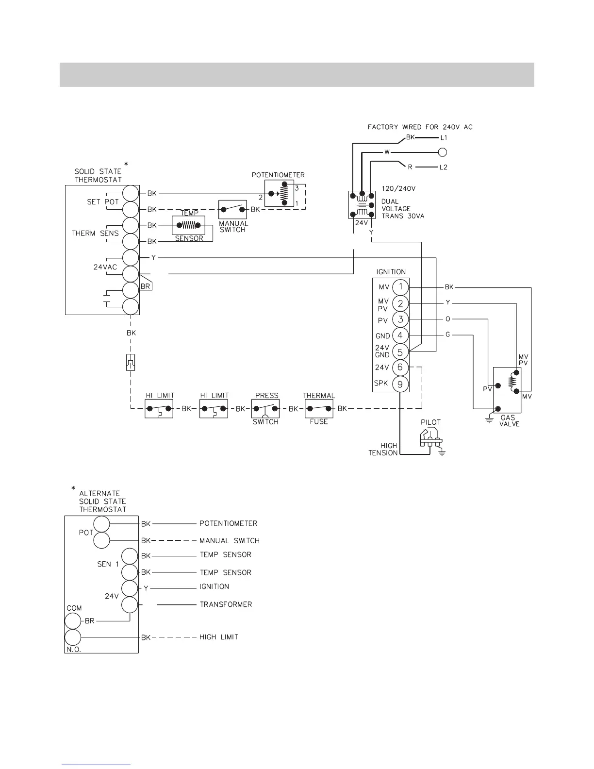
WIRING DIAGRAM 152178 Model 055 IID
BL
BL
BL

Related product manuals